
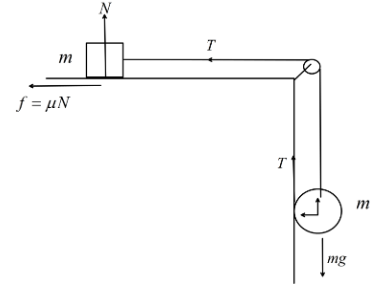
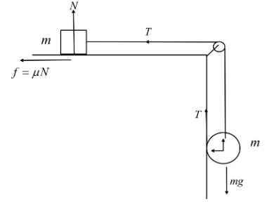
A light thread is wound on a disk of mass \[m\] in and the other end of the thread is connected to a block of mass \[m\], which is placed on a rough ground as shown in diagram. Find the minimum value of coefficient of friction for which block remains at rest.
A. \[\dfrac{1}{3}\]
B. \[\dfrac{1}{4}\]
C. \[\dfrac{1}{2}\]
D. \[\dfrac{1}{5}\]
Answer
514.2k+ views
Hint:Write the equation of motion of the disk to find the tension in the string. For a disk rolling on a surface equation of motion will be, \[\tau = {I_{cm}}\alpha \] where, \[{I_{cm}} = \dfrac{{m{r^2}}}{2}\] is the moment of inertia along the axis passing through centre of mass \[\tau \] is the torque acting on the disk, \[\alpha \] is the angular acceleration. Then, find the equation of motion of the block and calculate the coefficient of friction.
Complete step by step answer:
We know that for a body in rotational motion then the equation of motion can be written as, \[\tau = I\alpha \] where, \[I\] is the moment of inertia along the axis of rotation. \[\tau \] is the torque acting on the body, \[\alpha \] is the angular acceleration. Here, we have a circular disk of mass \[m\] which can roll along the vertical wall. So, the equation of motion can be written as, \[\tau = {I_{cm}}\alpha \] where, \[{I_{cm}} = \dfrac{{m{r^2}}}{2}\] is the moment of inertia along the axis passing through centre of mass.
Now, we know, angular acceleration is related to linear acceleration as,
\[{a_{cm}} = \alpha r\]
Hence, putting the values we have, \[\tau = \dfrac{{m{r^2}}}{2}\dfrac{{{a_{cm}}}}{r}\].
\[\tau = \dfrac{{mr{a_{cm}}}}{2}\]
Now, we can see that the tension acting on the string is producing the torque on the disk. Hence we can write, \[\tau = Tr\]
\[Tr = \dfrac{{mr{a_{cm}}}}{2}\]
\[\Rightarrow T = \dfrac{{m{a_{cm}}}}{2}\]
Now, we can write the linear equation of motion of the disk as, \[mg - T = m{a_{cm}}\].
So, putting the value of tension we get,
\[mg = m{a_{cm}} + \dfrac{{m{a_{cm}}}}{2} = \dfrac{{3m{a_{cm}}}}{2}\]
\[\Rightarrow g = \dfrac{{3{a_{cm}}}}{2}\]
\[\Rightarrow {a_{cm}} = \dfrac{{2g}}{3}\].
So, tension of the string becomes, \[T = \dfrac{m}{2}\dfrac{{2g}}{3} = \dfrac{{mg}}{3}\]
Now, we can write the equation of motion of the block at equilibrium(at rest) as, \[T - \mu N = 0\] where, \[N = mg\].
So, pitting the value of tension we get,
\[\dfrac{{mg}}{3} - \mu mg = 0\].
On, simplifying we get, \[\mu = \dfrac{1}{3}\].
So, the minimum value of the coefficient of friction must be, \[\dfrac{1}{3}\].
Hence, the correct answer is option A.
Note: The frictional force on the block can be greater than \[\dfrac{1}{3}mg\] for keeping the block at rest. That means the coefficient of friction can be greater than \[\dfrac{1}{3}\] (\[\mu \geqslant \dfrac{1}{3}\] ) for the block to be at rest. Though, \[f = \dfrac{1}{3}mg\] will be just sufficient to keep the block at rest.
Complete step by step answer:
We know that for a body in rotational motion then the equation of motion can be written as, \[\tau = I\alpha \] where, \[I\] is the moment of inertia along the axis of rotation. \[\tau \] is the torque acting on the body, \[\alpha \] is the angular acceleration. Here, we have a circular disk of mass \[m\] which can roll along the vertical wall. So, the equation of motion can be written as, \[\tau = {I_{cm}}\alpha \] where, \[{I_{cm}} = \dfrac{{m{r^2}}}{2}\] is the moment of inertia along the axis passing through centre of mass.
Now, we know, angular acceleration is related to linear acceleration as,
\[{a_{cm}} = \alpha r\]
Hence, putting the values we have, \[\tau = \dfrac{{m{r^2}}}{2}\dfrac{{{a_{cm}}}}{r}\].
\[\tau = \dfrac{{mr{a_{cm}}}}{2}\]
Now, we can see that the tension acting on the string is producing the torque on the disk. Hence we can write, \[\tau = Tr\]
\[Tr = \dfrac{{mr{a_{cm}}}}{2}\]
\[\Rightarrow T = \dfrac{{m{a_{cm}}}}{2}\]
Now, we can write the linear equation of motion of the disk as, \[mg - T = m{a_{cm}}\].
So, putting the value of tension we get,
\[mg = m{a_{cm}} + \dfrac{{m{a_{cm}}}}{2} = \dfrac{{3m{a_{cm}}}}{2}\]
\[\Rightarrow g = \dfrac{{3{a_{cm}}}}{2}\]
\[\Rightarrow {a_{cm}} = \dfrac{{2g}}{3}\].
So, tension of the string becomes, \[T = \dfrac{m}{2}\dfrac{{2g}}{3} = \dfrac{{mg}}{3}\]
Now, we can write the equation of motion of the block at equilibrium(at rest) as, \[T - \mu N = 0\] where, \[N = mg\].
So, pitting the value of tension we get,
\[\dfrac{{mg}}{3} - \mu mg = 0\].
On, simplifying we get, \[\mu = \dfrac{1}{3}\].
So, the minimum value of the coefficient of friction must be, \[\dfrac{1}{3}\].
Hence, the correct answer is option A.
Note: The frictional force on the block can be greater than \[\dfrac{1}{3}mg\] for keeping the block at rest. That means the coefficient of friction can be greater than \[\dfrac{1}{3}\] (\[\mu \geqslant \dfrac{1}{3}\] ) for the block to be at rest. Though, \[f = \dfrac{1}{3}mg\] will be just sufficient to keep the block at rest.
Recently Updated Pages
Why are manures considered better than fertilizers class 11 biology CBSE

Find the coordinates of the midpoint of the line segment class 11 maths CBSE

Distinguish between static friction limiting friction class 11 physics CBSE

The Chairman of the constituent Assembly was A Jawaharlal class 11 social science CBSE

The first National Commission on Labour NCL submitted class 11 social science CBSE

Number of all subshell of n + l 7 is A 4 B 5 C 6 D class 11 chemistry CBSE

Trending doubts
What is meant by exothermic and endothermic reactions class 11 chemistry CBSE

10 examples of friction in our daily life

One Metric ton is equal to kg A 10000 B 1000 C 100 class 11 physics CBSE

1 Quintal is equal to a 110 kg b 10 kg c 100kg d 1000 class 11 physics CBSE

Difference Between Prokaryotic Cells and Eukaryotic Cells

What are Quantum numbers Explain the quantum number class 11 chemistry CBSE

