
What is a circuit diagram? Draw the labelled diagram of an electric circuit consisting of a cell, an ammeter, a voltmeter, and a closed switch (or closed plug key). Which of the two has a large resistance: an ammeter or a voltmeter?
Answer
567.9k+ views
Hint : To answer this question, we have to analyse the function of the ammeter and the voltmeter. Then on the basis of that we need to predict their position in an electric circuit with the help of which we can compare their resistances.
Complete answer
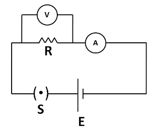
A circuit diagram is a pictorial representation of the connection of different components, which are indicated by the electrical symbols.
The different components of a circuit have their separate conventional symbols. So the required circuit diagram is represented as below.
Here E is the cell, A is the ammeter, V is the voltmeter, S is the switch, which is closed, and R is the resistor. The Ammeter is used for measuring the current flowing in the circuit. That’s why it has been connected in series. Also, the voltmeter is used for measuring the potential difference between two points in a circuit. So it has been connected in parallel combination with the resistor.
As already explained above, an ammeter is connected in series to measure the current. So it must have a negligible resistance so that its presence does not affect the original value of the current flowing in the circuit to an appreciable amount. In the ideal case, an ammeter has a zero resistance.
Also, a voltmeter is always connected in parallel for measuring the potential difference across any two points in the circuit. So it must have very large resistance so that a negligible fraction of the original current flowing in the circuit goes into the voltmeter. In the ideal case a voltmeter has an infinite resistance.
Hence, a voltmeter has a larger resistance than an ammeter.
Note
Although in the question, we were not asked to include the resistor in the circuit diagram, we have to include it as it is an important element of an electric circuit. Without any resistance, the cell will become short circuited, and hence the circuit will not function. So a resistor must be included in an electric circuit.
Complete answer
A circuit diagram is a pictorial representation of the connection of different components, which are indicated by the electrical symbols.
The different components of a circuit have their separate conventional symbols. So the required circuit diagram is represented as below.
Here E is the cell, A is the ammeter, V is the voltmeter, S is the switch, which is closed, and R is the resistor. The Ammeter is used for measuring the current flowing in the circuit. That’s why it has been connected in series. Also, the voltmeter is used for measuring the potential difference between two points in a circuit. So it has been connected in parallel combination with the resistor.
As already explained above, an ammeter is connected in series to measure the current. So it must have a negligible resistance so that its presence does not affect the original value of the current flowing in the circuit to an appreciable amount. In the ideal case, an ammeter has a zero resistance.
Also, a voltmeter is always connected in parallel for measuring the potential difference across any two points in the circuit. So it must have very large resistance so that a negligible fraction of the original current flowing in the circuit goes into the voltmeter. In the ideal case a voltmeter has an infinite resistance.
Hence, a voltmeter has a larger resistance than an ammeter.
Note
Although in the question, we were not asked to include the resistor in the circuit diagram, we have to include it as it is an important element of an electric circuit. Without any resistance, the cell will become short circuited, and hence the circuit will not function. So a resistor must be included in an electric circuit.
Recently Updated Pages
Complete reduction of benzene diazonium chloride with class 12 chemistry CBSE

How can you identify optical isomers class 12 chemistry CBSE

The coating formed on the metals such as iron silver class 12 chemistry CBSE

Metals are refined by using different methods Which class 12 chemistry CBSE

What do you understand by denaturation of proteins class 12 chemistry CBSE

Assertion Nitrobenzene is used as a solvent in FriedelCrafts class 12 chemistry CBSE

Trending doubts
What are the major means of transport Explain each class 12 social science CBSE

RNA and DNA are chiral molecules their chirality is class 12 chemistry CBSE

RNA and DNA are chiral molecules their chirality is class 12 chemistry CBSE

India is a sovereign socialist secular democratic republic class 12 social science CBSE

The correct structure of ethylenediaminetetraacetic class 12 chemistry CBSE

How many states of matter are there in total class 12 chemistry CBSE

