
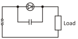
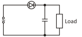
A capacitor is to be provided smoothing for a half wave rectifier. In which of the following diagrams is the capacitor correctly connected?
A.
B.
C.
D.
Answer
552k+ views
Hint: First of all, we will look for the capacitor to be connected in parallel with the load. A rectifier only allows one half cycle of the alternating current waveform to pass through it, in which it blocks the other half of that waveform.
Complete answer:
In the given question, we are given four circuit diagrams.Each diagram has a different way of connection of the circuit elements such as load and capacitor.We are asked to find out which one of the following circuits, has a correct connection of capacitor, so that it provides smoothing for a half wave rectifier.
As we are asked for smoothing, there should be the capacitor connected with the load in parallel without the involvement of the diode. However, except for the figure C, the capacitor is not connected to the load in parallel.The correct relation of the capacitor to the half-wave rectified mesh shape is only given by figure C. The half-wave rectifier is linked without the capacitor, as seen. Next to it, is the output waveform attached.
The capacitor is charged to the peak value of the applied AC during the positive period. Voltage, and then when the applied voltage starts to fall, it is discharged by R. Because of the broad time-constant RC, the discharge takes place slowly, and then C is charged to the peak value of the voltage again. The phase of charge-discharge takes place continuously and so as seen diagrammatically above the voltage across the C-R combination is a ‘ripple’ voltage. The average DC with the C-R structure, the voltage is almost equal to the value of the peak voltage, which is better and hence reduces the difference in voltage (filters).
The correct option is C.
Note:While answering the question, most of the students tend to make mistake in order to search for the capacitor to be connected with the load in parallel, they choose figure A. But if we look in the figure A, there is involvement of a diode in between the capacitor and the load. Hence, it is not correct. Please take care of that.
Complete answer:
In the given question, we are given four circuit diagrams.Each diagram has a different way of connection of the circuit elements such as load and capacitor.We are asked to find out which one of the following circuits, has a correct connection of capacitor, so that it provides smoothing for a half wave rectifier.
As we are asked for smoothing, there should be the capacitor connected with the load in parallel without the involvement of the diode. However, except for the figure C, the capacitor is not connected to the load in parallel.The correct relation of the capacitor to the half-wave rectified mesh shape is only given by figure C. The half-wave rectifier is linked without the capacitor, as seen. Next to it, is the output waveform attached.
The capacitor is charged to the peak value of the applied AC during the positive period. Voltage, and then when the applied voltage starts to fall, it is discharged by R. Because of the broad time-constant RC, the discharge takes place slowly, and then C is charged to the peak value of the voltage again. The phase of charge-discharge takes place continuously and so as seen diagrammatically above the voltage across the C-R combination is a ‘ripple’ voltage. The average DC with the C-R structure, the voltage is almost equal to the value of the peak voltage, which is better and hence reduces the difference in voltage (filters).
The correct option is C.
Note:While answering the question, most of the students tend to make mistake in order to search for the capacitor to be connected with the load in parallel, they choose figure A. But if we look in the figure A, there is involvement of a diode in between the capacitor and the load. Hence, it is not correct. Please take care of that.
Recently Updated Pages
A man running at a speed 5 ms is viewed in the side class 12 physics CBSE

The number of solutions in x in 02pi for which sqrt class 12 maths CBSE

State and explain Hardy Weinbergs Principle class 12 biology CBSE

Write any two methods of preparation of phenol Give class 12 chemistry CBSE

Which of the following statements is wrong a Amnion class 12 biology CBSE

Differentiate between action potential and resting class 12 biology CBSE

Trending doubts
What are the major means of transport Explain each class 12 social science CBSE

Which are the Top 10 Largest Countries of the World?

Draw a labelled sketch of the human eye class 12 physics CBSE

How much time does it take to bleed after eating p class 12 biology CBSE

Explain sex determination in humans with line diag class 12 biology CBSE

Explain sex determination in humans with the help of class 12 biology CBSE

