
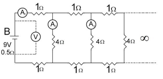
A $9V$ battery with an internal resistance of $0.5\Omega $ is connected across an infinite network as shown in the figure. All ammeters ${A_1},{A_2},{A_3}$ and voltmeter $V$ are ideal. Choose the correct statement.
A.Reading of ${A_1}$ is \[2A\] .
B.Reading of \[V\] is \[7V\] .
C.Reading of \[V\] is \[9V\] .
D.Reading of \[{A_1}\] is \[18A\] .
Answer
568.8k+ views
Hint: You can start by defining ohm’s law, voltmeter and ammeter. Then draw a new diagram of the circuit and in it replace the infinite resistors with a resistor \[y\] which will be the effective resistance of the circuit. Then given that the fact some new resistors will not change the effective resistance of the circuit significantly, you can use \[1 + \dfrac{{4y}}{{4 + y}} + 1 = y\] to find the value of \[y\] . Then use the equation \[I = \dfrac{E}{{r + R}}\] to find the value of \[{A_1}\] . Then use the equation \[V = E - IR\] to find the value of \[V\] .
Complete answer:
Ohm’s law – This law defines the relationship between current and voltage. According to ohm’s law, the current flowing through a conductor is directly proportional to the voltage difference across the ends of the conductor.
\[I \propto V\]
\[I = \dfrac{V}{R}\]
Here \[I = \] current, \[V = \] Voltage, and \[R = \] resistance
Voltmeter – It is electrical equipment that is used to measure the potential difference between two points on an electrical circuit.
Ammeter - It is a piece of electrical equipment that is used to measure the circuit flowing two points on an electrical circuit or through a whole circuit.
In this system, we have an infinite network of resistors. An infinite network means that the addition of a few more resistors will not affect the effective resistance of the system significantly.
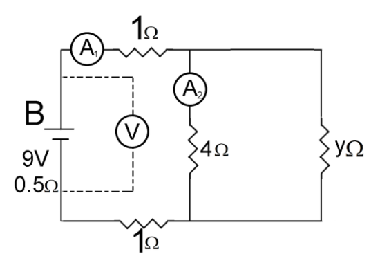
Let’s arrange the given circuit in the following form.
Here \[y\] is the effective resistance of the infinite system of the resistor.
The resistance of parallel resistors \[y\] and \[4\Omega \] are
\[\dfrac{{4y}}{{4 + y}}\]
So the total effective resistance of the circuit is equal to
\[1 + \dfrac{{4y}}{{4 + y}} + 1 = y\]
\[4y + 2(4 + y) = y(4 + y)\]
\[6y + 8 = 4y + {y^2}\]
\[{y^2} - 2y - 8 = 0\]
Solving this quadratic equation
\[y = \dfrac{{2 \pm \sqrt {4 + 32} }}{2}\]
\[y = \dfrac{8}{2}\]
\[y = 4\Omega \]
For the ammeter reading that measures the total current in the circuit
\[I = \] Current through \[{A_1} = \dfrac{E}{{r + R}} = \dfrac{9}{{0.5 + 4}} = 2A\]
Here, \[r = \] The internal resistance of the battery and \[R = \] effective resistance of the given circuit
For the voltmeter reading that is connected across the battery
\[V = E - IR = 9 - 2 \times 0.5\]
\[V = 8V\]
Hence, option A is the correct choice.
Note:
In the solution above we said that \[1 + \dfrac{{4y}}{{4 + y}} + 1 = y\] is equal to the effective resistance of the circuit. This can be a bit confusing, but remember \[y\] is the result of a combination of infinite resistors, so adding a few more resistors to the circuit will not make the effective resistance significantly different. In reality, the effective resistance will change but we usually ignore it for such problems.
Complete answer:
Ohm’s law – This law defines the relationship between current and voltage. According to ohm’s law, the current flowing through a conductor is directly proportional to the voltage difference across the ends of the conductor.
\[I \propto V\]
\[I = \dfrac{V}{R}\]
Here \[I = \] current, \[V = \] Voltage, and \[R = \] resistance
Voltmeter – It is electrical equipment that is used to measure the potential difference between two points on an electrical circuit.
Ammeter - It is a piece of electrical equipment that is used to measure the circuit flowing two points on an electrical circuit or through a whole circuit.
In this system, we have an infinite network of resistors. An infinite network means that the addition of a few more resistors will not affect the effective resistance of the system significantly.
Let’s arrange the given circuit in the following form.
Here \[y\] is the effective resistance of the infinite system of the resistor.
The resistance of parallel resistors \[y\] and \[4\Omega \] are
\[\dfrac{{4y}}{{4 + y}}\]
So the total effective resistance of the circuit is equal to
\[1 + \dfrac{{4y}}{{4 + y}} + 1 = y\]
\[4y + 2(4 + y) = y(4 + y)\]
\[6y + 8 = 4y + {y^2}\]
\[{y^2} - 2y - 8 = 0\]
Solving this quadratic equation
\[y = \dfrac{{2 \pm \sqrt {4 + 32} }}{2}\]
\[y = \dfrac{8}{2}\]
\[y = 4\Omega \]
For the ammeter reading that measures the total current in the circuit
\[I = \] Current through \[{A_1} = \dfrac{E}{{r + R}} = \dfrac{9}{{0.5 + 4}} = 2A\]
Here, \[r = \] The internal resistance of the battery and \[R = \] effective resistance of the given circuit
For the voltmeter reading that is connected across the battery
\[V = E - IR = 9 - 2 \times 0.5\]
\[V = 8V\]
Hence, option A is the correct choice.
Note:
In the solution above we said that \[1 + \dfrac{{4y}}{{4 + y}} + 1 = y\] is equal to the effective resistance of the circuit. This can be a bit confusing, but remember \[y\] is the result of a combination of infinite resistors, so adding a few more resistors to the circuit will not make the effective resistance significantly different. In reality, the effective resistance will change but we usually ignore it for such problems.
Recently Updated Pages
Why are manures considered better than fertilizers class 11 biology CBSE

Find the coordinates of the midpoint of the line segment class 11 maths CBSE

Distinguish between static friction limiting friction class 11 physics CBSE

The Chairman of the constituent Assembly was A Jawaharlal class 11 social science CBSE

The first National Commission on Labour NCL submitted class 11 social science CBSE

Number of all subshell of n + l 7 is A 4 B 5 C 6 D class 11 chemistry CBSE

Trending doubts
What is meant by exothermic and endothermic reactions class 11 chemistry CBSE

10 examples of friction in our daily life

One Metric ton is equal to kg A 10000 B 1000 C 100 class 11 physics CBSE

1 Quintal is equal to a 110 kg b 10 kg c 100kg d 1000 class 11 physics CBSE

Difference Between Prokaryotic Cells and Eukaryotic Cells

What are Quantum numbers Explain the quantum number class 11 chemistry CBSE

