
Water in a river flows from west to east at 4kmph. A man on the north bank capable of swimming at kmph crossed the river in the shortest possible time. In which direction should he swim along?
(A) North
(B) South
(C) $ {30^ \circ } $ west of north
(D) $ {30^ \circ } $ east of north
Answer
556.2k+ views
Hint : We can solve this question by concepts of relative velocity and components of velocity. The velocity of the man swimming in the river with respect to the velocity of the river is to be examined properly before we decide on the direction in which the man swims.
Formula Used: The formulae used in the solution are given here,
$ t = \dfrac{d}{{{v_s}\cos \theta }} $ where $ t $ is the time taken to cross the river, $ d $ is the depth of the river, $ \cos \theta $ is the direction of swimming and $ {v_s} $ is the velocity of the swimmer.
Complete step by step answer
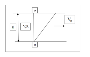
If a man is to swim to reach the other bank of the river in the shortest time, he should swim perpendicular to the river flow. This maximizes the velocity of the man, thus minimizing the ratio between the distance and effective velocity. This gives us the minimum time. In the following figure, $ {{\text{V}}_{\text{R}}} $ is the velocity of the river and $ {{\text{V}}_{\text{s}}} $ is the velocity of the swimmer and $ d $ is the depth of the river. It can be understood from the figure that the shortest possible time t should be along AB direction.
We know that,
$ t = \dfrac{d}{{{v_s}\cos \theta }} $ where $ t $ is the time taken to cross the river, $ d $ is the depth of the river, $ \cos \theta $ is the direction of swimming and $ {v_s} $ is the velocity of the swimmer.
For $ t $ to be minimum the value of $ \cos \theta $ must be maximum. The maximum value of $ \cos \theta $ is 1, when $ \theta = {90^ \circ } $
it is given in the question, the water in the river flows from west to east at 4kmph. For a man, standing in the north direction, the shortest time will be achieved only when $ \theta = {90^ \circ } $ .
$ \therefore $ The man needs to swim towards the south for minimal time.
The correct answer is Option B.
Note
It is to be remembered here that finding the shortest distance is not the same as finding the shortest time. The shortest time requires maximum effective velocity of the object, the man swimming in this case which minimizes the value of time. We know from our knowledge of mathematics that the shortest possible distance between two points is the perpendicular distance between them. Thus depending on the given values, we can also calculate the shortest distance along with the shortest time.
Formula Used: The formulae used in the solution are given here,
$ t = \dfrac{d}{{{v_s}\cos \theta }} $ where $ t $ is the time taken to cross the river, $ d $ is the depth of the river, $ \cos \theta $ is the direction of swimming and $ {v_s} $ is the velocity of the swimmer.
Complete step by step answer
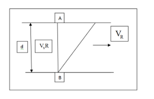
If a man is to swim to reach the other bank of the river in the shortest time, he should swim perpendicular to the river flow. This maximizes the velocity of the man, thus minimizing the ratio between the distance and effective velocity. This gives us the minimum time. In the following figure, $ {{\text{V}}_{\text{R}}} $ is the velocity of the river and $ {{\text{V}}_{\text{s}}} $ is the velocity of the swimmer and $ d $ is the depth of the river. It can be understood from the figure that the shortest possible time t should be along AB direction.
We know that,
$ t = \dfrac{d}{{{v_s}\cos \theta }} $ where $ t $ is the time taken to cross the river, $ d $ is the depth of the river, $ \cos \theta $ is the direction of swimming and $ {v_s} $ is the velocity of the swimmer.
For $ t $ to be minimum the value of $ \cos \theta $ must be maximum. The maximum value of $ \cos \theta $ is 1, when $ \theta = {90^ \circ } $
it is given in the question, the water in the river flows from west to east at 4kmph. For a man, standing in the north direction, the shortest time will be achieved only when $ \theta = {90^ \circ } $ .
$ \therefore $ The man needs to swim towards the south for minimal time.
The correct answer is Option B.
Note
It is to be remembered here that finding the shortest distance is not the same as finding the shortest time. The shortest time requires maximum effective velocity of the object, the man swimming in this case which minimizes the value of time. We know from our knowledge of mathematics that the shortest possible distance between two points is the perpendicular distance between them. Thus depending on the given values, we can also calculate the shortest distance along with the shortest time.
Recently Updated Pages
Master Class 11 Chemistry: Engaging Questions & Answers for Success

Why are manures considered better than fertilizers class 11 biology CBSE

Find the coordinates of the midpoint of the line segment class 11 maths CBSE

Distinguish between static friction limiting friction class 11 physics CBSE

The Chairman of the constituent Assembly was A Jawaharlal class 11 social science CBSE

The first National Commission on Labour NCL submitted class 11 social science CBSE

Trending doubts
What is meant by exothermic and endothermic reactions class 11 chemistry CBSE

10 examples of friction in our daily life

One Metric ton is equal to kg A 10000 B 1000 C 100 class 11 physics CBSE

Difference Between Prokaryotic Cells and Eukaryotic Cells

What are Quantum numbers Explain the quantum number class 11 chemistry CBSE

1 Quintal is equal to a 110 kg b 10 kg c 100kg d 1000 class 11 physics CBSE

