
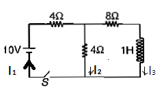
The switch in figure is open for t < 0 then closed at time t = 0. Find the current in the inductor.
A) i=7.5−0.25${e^{ - 7t}}$
B) i=1.5−0.25${e^{ - 10t}}$
C) i=1.5−0.25${e^{ - 9t}}$
D) i=1.5−0.25 ${e^{ - 12t}}$
Answer
573.6k+ views
Hint:We are going to find out the value of current at time zero and at time infinity. At the time of zero there will be infinite resistance and at time infinity the inductor will be charged. Through net R(resistance) we will get the inductor current and after simplifying it we get our solution.
Complete step by step answer:
Step 1:
An inductor is a passive electronic component that stores energy in the form of a magnetic field. In its simplest form, an inductor consists of a wire loop or coil. The inductance is directly proportional to the number of turns in the coil. Inductance also depends on the radius of the coil and on the type of material around which the coil is wound.
At (t=0), we can see that no charge is going through the inductor so it will offer infinite resistance.
Then initially our current ${i_1}$ =$\dfrac{{10}}{8}$ which is equal to 1.25A $\left( {\therefore V = iR} \right)$ V is volt, I is current and R is resistance along inductor
Then at t=$\infty$ (for a long time) inductor will be charged fully
Net resistance R equal to $4 + \dfrac{{8 \times 4}}{{8 + 4}}$ which is equal to $\dfrac{{20}}{3}$
${i_2}$ Will be equal to $\dfrac{{10}}{{\dfrac{{20}}{3}}}$ and this will give ${i_2}$ equal to 1.5A
So along 8$\Omega $ there will be 0.5A current and along 4$\Omega $ there is 1.0A of current
Step 2:
Now we know that in the branch of inductor in saturation there is a 0.5A of current and it can be calculated as ${i_L}$ =0.5$\left( {1 - {e^{\dfrac{t}{\tau }}}} \right)$ ……. (1) and here ${\tau _L}$ =$\dfrac{L}{{{R_{NET}}}}$ (${R_{NET}}$ is calculated across the branches of inductor)
${R_{NET}}$ =10$\Omega $ and from here we will get value of ${\tau _L}$=0.1sec
Now, equation (1) will have a form of ${i_L}$ =0.5$\left( {1 - {e^{\dfrac{t}{{0.1}}}}} \right)$ which is equal to ${i_L}$ =0.5$\left( {1 - {e^{ - 10t}}} \right)$
Then i=1.25+0.25$\left( {1 - {e^{\dfrac{t}{{0.1}}}}} \right)$ or it is equal to 1.5−0.25$\left( {1 - {e^{ - 10t}}} \right)$
Hence option B is correct
Note:In simple words we can say- use Ohm's Law and find the value of the total current: I = $\dfrac{V}{R}$ amp. Calculate the voltages across resistor R and inductor L by using Ohm's Law. If series inductors: Just add up the value of each individual inductor. Two or more identical parallel inductors: Add them up and divide by the number of inductors.
Complete step by step answer:
Step 1:
An inductor is a passive electronic component that stores energy in the form of a magnetic field. In its simplest form, an inductor consists of a wire loop or coil. The inductance is directly proportional to the number of turns in the coil. Inductance also depends on the radius of the coil and on the type of material around which the coil is wound.
At (t=0), we can see that no charge is going through the inductor so it will offer infinite resistance.
Then initially our current ${i_1}$ =$\dfrac{{10}}{8}$ which is equal to 1.25A $\left( {\therefore V = iR} \right)$ V is volt, I is current and R is resistance along inductor
Then at t=$\infty$ (for a long time) inductor will be charged fully
Net resistance R equal to $4 + \dfrac{{8 \times 4}}{{8 + 4}}$ which is equal to $\dfrac{{20}}{3}$
${i_2}$ Will be equal to $\dfrac{{10}}{{\dfrac{{20}}{3}}}$ and this will give ${i_2}$ equal to 1.5A
So along 8$\Omega $ there will be 0.5A current and along 4$\Omega $ there is 1.0A of current
Step 2:
Now we know that in the branch of inductor in saturation there is a 0.5A of current and it can be calculated as ${i_L}$ =0.5$\left( {1 - {e^{\dfrac{t}{\tau }}}} \right)$ ……. (1) and here ${\tau _L}$ =$\dfrac{L}{{{R_{NET}}}}$ (${R_{NET}}$ is calculated across the branches of inductor)
${R_{NET}}$ =10$\Omega $ and from here we will get value of ${\tau _L}$=0.1sec
Now, equation (1) will have a form of ${i_L}$ =0.5$\left( {1 - {e^{\dfrac{t}{{0.1}}}}} \right)$ which is equal to ${i_L}$ =0.5$\left( {1 - {e^{ - 10t}}} \right)$
Then i=1.25+0.25$\left( {1 - {e^{\dfrac{t}{{0.1}}}}} \right)$ or it is equal to 1.5−0.25$\left( {1 - {e^{ - 10t}}} \right)$
Hence option B is correct
Note:In simple words we can say- use Ohm's Law and find the value of the total current: I = $\dfrac{V}{R}$ amp. Calculate the voltages across resistor R and inductor L by using Ohm's Law. If series inductors: Just add up the value of each individual inductor. Two or more identical parallel inductors: Add them up and divide by the number of inductors.
Recently Updated Pages
The number of solutions in x in 02pi for which sqrt class 12 maths CBSE

Write any two methods of preparation of phenol Give class 12 chemistry CBSE

Differentiate between action potential and resting class 12 biology CBSE

Two plane mirrors arranged at right angles to each class 12 physics CBSE

Which of the following molecules is are chiral A I class 12 chemistry CBSE

Name different types of neurons and give one function class 12 biology CBSE

Trending doubts
Which are the Top 10 Largest Countries of the World?

What are the major means of transport Explain each class 12 social science CBSE

Draw a labelled sketch of the human eye class 12 physics CBSE

Draw the diagram showing the germination of pollen class 12 biology CBSE

Differentiate between insitu conservation and exsitu class 12 biology CBSE

The computer jargonwwww stands for Aworld wide web class 12 physics CBSE

