
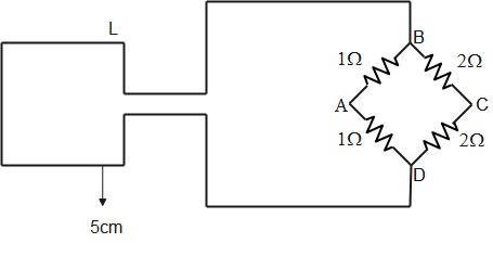
The figure shows a square loop L of side $5cm$ which is connected to a network of resistances. The whole setup is moving towards right with a constant speed of $1\,cm{{s}^{-1}}$. At some instant, a part of L is in a uniform magnetic field of $1T$, perpendicular to the plane of the loop. If the resistance of L is $1.7\Omega $, what will be the approximate current in the loop at that instant?
A. $115\mu A$
B. $170\mu A$
C. $60\mu A$
D. $150\mu A$
Answer
567.9k+ views
Hint: First, calculate the total resistance of the loop. The network of resistors appears to be a Wheatstone bridge. Varying magnetic flux through the loop induced emf. Use the expression of motional emf to find the emf induced. The motional emf is equivalent to voltage across the circuit. Use Ohm’s law to obtain electric current in the loop.
Formula used:
Ohm’s law, $V=IR$
Complete step by step answer:
First, we shall calculate the resistance of the loop. We can note that the resistances between B and D are in Wheatstone bridge form as
$\dfrac{{{R}_{BA}}}{{{R}_{AD}}}=\dfrac{{{R}_{BC}}}{{{R}_{CD}}}$
Therefore, the $3\Omega $ resistance can be neglected as no current flows through it.
Now the circuit becomes as shown below.
The resistances ${{R}_{BA}}$ and ${{R}_{AD}}$; and ${{R}_{CA}}$ and ${{R}_{CD}}$ are in series and therefore can be replaced with single resistance equivalent to sum of their resistances. Now the circuit can be redrawn as shown below.
We can note that, the $2\Omega $ and $4\Omega $ are in parallel and their equivalent resistance is given by
$\dfrac{1}{{{R}_{eq}}}=\dfrac{1}{2}+\dfrac{1}{4}=\dfrac{3}{4}$
$\Rightarrow {{R}_{eq}}=\dfrac{4}{3}\Omega \approx 1.3\Omega $
Given that the resistance of L is $1.7\Omega $. Therefore, net resistance through the loop is ${{R}_{loop}}=1.7+1.3\approx 3\Omega $
Emf induced in a loop with its area vector along magnetic field and moving perpendicular to the magnetic field is given by
$\epsilon=Blv$
Where b is the magnetic field and $l$ is the length which is perpendicular to motion of the loop.
Substituting the values, we have
$\epsilon =1T\times 5cm\times 1cm/s=5\times {{10}^{-4}}T{{m}^{2}}/s$
Current through the loop,
$I=\dfrac{\epsilon }{{{R}_{loop}}}=\dfrac{5\times {{10}^{-4}}V}{3\Omega }=1.67\times {{10}^{-4}}A\approx 170\mu A$
Therefore, option B is correct.
Note:
Varying magnetic field induces electric current and therefore induces electric field. If magnetic flux through the loop is not changing, induced current will be zero.
Some basic conversions are often required in numerical problems. So, learn about milli-, centi-, micro-, kilo- etc.
Formula used:
Ohm’s law, $V=IR$
Complete step by step answer:
First, we shall calculate the resistance of the loop. We can note that the resistances between B and D are in Wheatstone bridge form as
$\dfrac{{{R}_{BA}}}{{{R}_{AD}}}=\dfrac{{{R}_{BC}}}{{{R}_{CD}}}$
Therefore, the $3\Omega $ resistance can be neglected as no current flows through it.
Now the circuit becomes as shown below.
The resistances ${{R}_{BA}}$ and ${{R}_{AD}}$; and ${{R}_{CA}}$ and ${{R}_{CD}}$ are in series and therefore can be replaced with single resistance equivalent to sum of their resistances. Now the circuit can be redrawn as shown below.
We can note that, the $2\Omega $ and $4\Omega $ are in parallel and their equivalent resistance is given by
$\dfrac{1}{{{R}_{eq}}}=\dfrac{1}{2}+\dfrac{1}{4}=\dfrac{3}{4}$
$\Rightarrow {{R}_{eq}}=\dfrac{4}{3}\Omega \approx 1.3\Omega $
Given that the resistance of L is $1.7\Omega $. Therefore, net resistance through the loop is ${{R}_{loop}}=1.7+1.3\approx 3\Omega $
Emf induced in a loop with its area vector along magnetic field and moving perpendicular to the magnetic field is given by
$\epsilon=Blv$
Where b is the magnetic field and $l$ is the length which is perpendicular to motion of the loop.
Substituting the values, we have
$\epsilon =1T\times 5cm\times 1cm/s=5\times {{10}^{-4}}T{{m}^{2}}/s$
Current through the loop,
$I=\dfrac{\epsilon }{{{R}_{loop}}}=\dfrac{5\times {{10}^{-4}}V}{3\Omega }=1.67\times {{10}^{-4}}A\approx 170\mu A$
Therefore, option B is correct.
Note:
Varying magnetic field induces electric current and therefore induces electric field. If magnetic flux through the loop is not changing, induced current will be zero.
Some basic conversions are often required in numerical problems. So, learn about milli-, centi-, micro-, kilo- etc.
Recently Updated Pages
The number of solutions in x in 02pi for which sqrt class 12 maths CBSE

Write any two methods of preparation of phenol Give class 12 chemistry CBSE

Differentiate between action potential and resting class 12 biology CBSE

Two plane mirrors arranged at right angles to each class 12 physics CBSE

Which of the following molecules is are chiral A I class 12 chemistry CBSE

Name different types of neurons and give one function class 12 biology CBSE

Trending doubts
Which are the Top 10 Largest Countries of the World?

What are the major means of transport Explain each class 12 social science CBSE

Draw a labelled sketch of the human eye class 12 physics CBSE

Differentiate between insitu conservation and exsitu class 12 biology CBSE

The computer jargonwwww stands for Aworld wide web class 12 physics CBSE

State the principle of an ac generator and explain class 12 physics CBSE

