
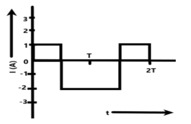
The alternating current in a circuit is described by the graph as shown in the figure. The RMS current obtained from the graph would be –
A) 1.4 A
B) 2.2 A
C) 1.6 A
D) 2.6 A
Answer
558.3k+ views
Hint: We need to understand the relation between the current value in an alternating current circuit and its equivalent root mean squared value to solve the problem given to us. The graph has to be interpreted in order to find the RMS value of current.
Complete step by step solution:
The current value in an alternating current circuit varies with time. We know that the current is a sinusoidal function of time. The root mean squared of the current is the equivalent current in a direct current circuit. It is given as –
\[{{i}_{rms}}=\sqrt{{{i}_{m}}^{2}}\]
In the present situation, we are given a time varying current from an alternating current circuit. We can see from the graph below that the current is not changing on a steady basis.
We are given the current details of two complete cycles of the alternating current. We can understand this as the time axis consists of the time ‘2T’ which denotes two time periods. Now, we need to find the RMS value of current for each maximum value of current in the fraction of time period. This is because the current is varying throughout the time.
We can find the RMS value using the relation –
\[{{i}_{rms}}=\sqrt{\dfrac{{{i}_{1}}^{2}\times {{T}_{1}}+{{i}_{2}}^{2}\times {{T}_{2}}+{{i}_{3}}^{2}\times {{T}_{3}}}{{{T}_{total}}}}\]
We can substitute the current values and the time intervals to find the root mean squared value of the current for the given alternating current circuit as –
\[\begin{align}
& {{i}_{rms}}=\sqrt{\dfrac{{{i}_{1}}^{2}\times {{T}_{1}}+{{i}_{2}}^{2}\times {{T}_{2}}+{{i}_{3}}^{2}\times {{T}_{3}}}{{{T}_{total}}}} \\
& \Rightarrow {{i}_{rms}}=\sqrt{\dfrac{{{1}^{2}}(\dfrac{T}{2})+{{(-2)}^{2}}(T)+{{1}^{2}}(\dfrac{T}{2})}{2T}} \\
& \Rightarrow {{i}_{rms}}=\sqrt{\dfrac{\dfrac{T}{2}+4T+\dfrac{T}{2}}{2T}} \\
& \Rightarrow {{i}_{rms}}=\sqrt{\dfrac{5T}{2T}} \\
& \therefore {{i}_{rms}}=1.58A \\
\end{align}\]
The RMS value of current is almost 1.6 A.
The correct answer is option C.
Note:
The root mean squared value of current is widely used to understand the quantity of current that will be constant in the alternating circuit. It gives the idea on the current that will be shown by the circuit if it were converted to direct current anytime.
Complete step by step solution:
The current value in an alternating current circuit varies with time. We know that the current is a sinusoidal function of time. The root mean squared of the current is the equivalent current in a direct current circuit. It is given as –
\[{{i}_{rms}}=\sqrt{{{i}_{m}}^{2}}\]
In the present situation, we are given a time varying current from an alternating current circuit. We can see from the graph below that the current is not changing on a steady basis.
We are given the current details of two complete cycles of the alternating current. We can understand this as the time axis consists of the time ‘2T’ which denotes two time periods. Now, we need to find the RMS value of current for each maximum value of current in the fraction of time period. This is because the current is varying throughout the time.
We can find the RMS value using the relation –
\[{{i}_{rms}}=\sqrt{\dfrac{{{i}_{1}}^{2}\times {{T}_{1}}+{{i}_{2}}^{2}\times {{T}_{2}}+{{i}_{3}}^{2}\times {{T}_{3}}}{{{T}_{total}}}}\]
We can substitute the current values and the time intervals to find the root mean squared value of the current for the given alternating current circuit as –
\[\begin{align}
& {{i}_{rms}}=\sqrt{\dfrac{{{i}_{1}}^{2}\times {{T}_{1}}+{{i}_{2}}^{2}\times {{T}_{2}}+{{i}_{3}}^{2}\times {{T}_{3}}}{{{T}_{total}}}} \\
& \Rightarrow {{i}_{rms}}=\sqrt{\dfrac{{{1}^{2}}(\dfrac{T}{2})+{{(-2)}^{2}}(T)+{{1}^{2}}(\dfrac{T}{2})}{2T}} \\
& \Rightarrow {{i}_{rms}}=\sqrt{\dfrac{\dfrac{T}{2}+4T+\dfrac{T}{2}}{2T}} \\
& \Rightarrow {{i}_{rms}}=\sqrt{\dfrac{5T}{2T}} \\
& \therefore {{i}_{rms}}=1.58A \\
\end{align}\]
The RMS value of current is almost 1.6 A.
The correct answer is option C.
Note:
The root mean squared value of current is widely used to understand the quantity of current that will be constant in the alternating circuit. It gives the idea on the current that will be shown by the circuit if it were converted to direct current anytime.
Recently Updated Pages
Why are manures considered better than fertilizers class 11 biology CBSE

Find the coordinates of the midpoint of the line segment class 11 maths CBSE

Distinguish between static friction limiting friction class 11 physics CBSE

The Chairman of the constituent Assembly was A Jawaharlal class 11 social science CBSE

The first National Commission on Labour NCL submitted class 11 social science CBSE

Number of all subshell of n + l 7 is A 4 B 5 C 6 D class 11 chemistry CBSE

Trending doubts
What is meant by exothermic and endothermic reactions class 11 chemistry CBSE

10 examples of friction in our daily life

One Metric ton is equal to kg A 10000 B 1000 C 100 class 11 physics CBSE

1 Quintal is equal to a 110 kg b 10 kg c 100kg d 1000 class 11 physics CBSE

Difference Between Prokaryotic Cells and Eukaryotic Cells

What are Quantum numbers Explain the quantum number class 11 chemistry CBSE

