
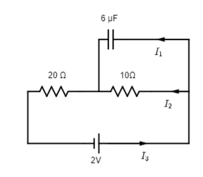
In the steady-state, find the charge on the capacitor shown in the figure
A) $4\mu C$
B) $5\mu C$
C) $6\mu C$
D) None
Answer
566.1k+ views
Hint: We can find the \[{R_{equivalent}}\] as the two resistances are connected in series which helps us to find the current flowing through the circuit. This current will help us to find the voltage across the $10\Omega $resistance. After finding the voltage, we can use the formula \[Q = CV\].
Formula used:
\[{R_{series}} = {R_1} + {R_2}\] (when the resistance are in series)
\[V = iR\]( where \[V\] is the voltage across the circuit, $i$ be the current in the circuit and \[R\] be the resistance)
\[Q = CV\](where \[Q\] is the charge of the capacitor, \[V\] be the voltage across the capacitor and \[C\] be the capacitance of the capacitor)
Complete step by step answer:
We have given a circuit in a steady-state condition. We know that in steady-state conditions no current flows through the capacitor.
In the figure, there are two resistances (${R_1} = 10\Omega $ and ${R_2} = 20\Omega $ ) connected in series. So, the equivalent resistance (\[{R_{equivalent}}\])will be-
\[{R_{equivalent}} = 10 + 20 = 30\Omega \]
In the given figure, the potential difference ($V = 2V$ )is connected in the circuit. So, the current($i$ ) flow through the circuit is given as-
\[i = \dfrac{2}{{30}}{\text{ }}A\]
(Where \[i = \dfrac{V}{{{R_{equivalent}}}}\])
Now, the voltage drop across the \[10\Omega \] resistance is given as,
${V^{'}} = iR $
$\Rightarrow {V^{'}} = \dfrac{2}{{30}} \times 10$
$\Rightarrow {V^{'}} = \dfrac{2}{3}{\text{ }}V $
Which is equal to the voltage across the capacitor.
According to the figure, the charge in the capacitor of capacitance $C = 6\mu C$ will be given as,
\[Q = C{V^{'}}\]
$Q = 6 \times {10^{ - 6}} \times \dfrac{2}{3} $
$ \Rightarrow Q = 2 \times {10^{ - 6}} \times 2 $
$ \Rightarrow Q = 4 \times {10^{ - 6}}$
$ \Rightarrow Q = 4\mu C $
($1\mu C = {10^{ - 6}}C$ )
Hence option (A) is correct.
Note:
In steady-state conditions no current flows through the capacitor. The voltage across the $10\Omega $ resistance is equal to the voltage across the $C = 6\mu C$ capacitance.
Formula used:
\[{R_{series}} = {R_1} + {R_2}\] (when the resistance are in series)
\[V = iR\]( where \[V\] is the voltage across the circuit, $i$ be the current in the circuit and \[R\] be the resistance)
\[Q = CV\](where \[Q\] is the charge of the capacitor, \[V\] be the voltage across the capacitor and \[C\] be the capacitance of the capacitor)
Complete step by step answer:
We have given a circuit in a steady-state condition. We know that in steady-state conditions no current flows through the capacitor.
In the figure, there are two resistances (${R_1} = 10\Omega $ and ${R_2} = 20\Omega $ ) connected in series. So, the equivalent resistance (\[{R_{equivalent}}\])will be-
\[{R_{equivalent}} = 10 + 20 = 30\Omega \]
In the given figure, the potential difference ($V = 2V$ )is connected in the circuit. So, the current($i$ ) flow through the circuit is given as-
\[i = \dfrac{2}{{30}}{\text{ }}A\]
(Where \[i = \dfrac{V}{{{R_{equivalent}}}}\])
Now, the voltage drop across the \[10\Omega \] resistance is given as,
${V^{'}} = iR $
$\Rightarrow {V^{'}} = \dfrac{2}{{30}} \times 10$
$\Rightarrow {V^{'}} = \dfrac{2}{3}{\text{ }}V $
Which is equal to the voltage across the capacitor.
According to the figure, the charge in the capacitor of capacitance $C = 6\mu C$ will be given as,
\[Q = C{V^{'}}\]
$Q = 6 \times {10^{ - 6}} \times \dfrac{2}{3} $
$ \Rightarrow Q = 2 \times {10^{ - 6}} \times 2 $
$ \Rightarrow Q = 4 \times {10^{ - 6}}$
$ \Rightarrow Q = 4\mu C $
($1\mu C = {10^{ - 6}}C$ )
Hence option (A) is correct.
Note:
In steady-state conditions no current flows through the capacitor. The voltage across the $10\Omega $ resistance is equal to the voltage across the $C = 6\mu C$ capacitance.
Recently Updated Pages
A man running at a speed 5 ms is viewed in the side class 12 physics CBSE

The number of solutions in x in 02pi for which sqrt class 12 maths CBSE

State and explain Hardy Weinbergs Principle class 12 biology CBSE

Write any two methods of preparation of phenol Give class 12 chemistry CBSE

Which of the following statements is wrong a Amnion class 12 biology CBSE

Differentiate between action potential and resting class 12 biology CBSE

Trending doubts
What are the major means of transport Explain each class 12 social science CBSE

Which are the Top 10 Largest Countries of the World?

Draw a labelled sketch of the human eye class 12 physics CBSE

Explain sex determination in humans with line diag class 12 biology CBSE

Explain sex determination in humans with the help of class 12 biology CBSE

Differentiate between homogeneous and heterogeneous class 12 chemistry CBSE

