
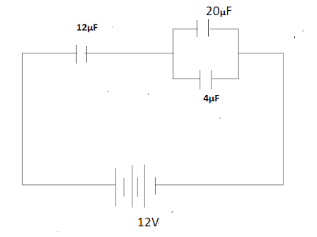
In the circuit shown in the figure, the charge on the capacitor of $ 4\mu F $ is $ 16\mu C $ . Calculate the energy stored in the capacitor of $ 12\mu F $ capacitance.
Answer
527.1k+ views
Hint :In order to solve this question, we are going to first calculate the equivalent capacitances of the two capacitors $ 20\mu F $ and $ 4\mu F $ , then, as we are given the charge on the capacitor $ 4\mu F $ , so, the voltage can be calculated, and as this combination is in series with capacitor $ 12\mu F $ , and thus, energy is calculated.
Complete Step By Step Answer:
The voltage across the capacitor is given as:
$ V = \dfrac{Q}{C} $
Where $ Q $ is the charge stored in the capacitor of the capacitance $ C $ , $ V $ is the voltage
The energy stored in the capacitor is
$ E = \dfrac{1}{2}C{V^2} $
Complete step by step solution: Let us start by considering the capacitors, we get
The equivalent capacitance of the capacitors $ 20\mu F $ and $ 4\mu F $ is:
$ C = 20\mu F + 4\mu F = 24\mu F $
As the charge stored in the capacitor of $ 4\mu F $ is $ 16\mu C $ , the voltage across it is:
$ V = \dfrac{Q}{C} \\
\Rightarrow V = \dfrac{{16}}{4} = 4V \\ $
Thus, the voltage across the capacitors $ 20\mu F $ and $ 4\mu F $ is $ 4V $
As the capacitors $ 12\mu F $ and the parallel combination of the capacitors $ 20\mu F $ and $ 4\mu F $ are in series, so the voltage across the capacitor $ 12\mu F $ is
$ \left( {12 - 4} \right)V \Rightarrow 8V $
The energy stored in the capacitor of $ 12\mu F $ capacitance can be calculated using the formula
$ E = \dfrac{1}{2}C{V^2} $
Putting the values of the capacitance and the voltage, we get,
$ E = \dfrac{1}{2} \times 12 \times {\left( 8 \right)^2} \\
\Rightarrow E = 384J \\ $
Note :
It is important to see that the capacitors that are present in series combination have the different voltages while the combination of the capacitors that are present in the parallel combination have the same voltages across them. The energy stored in the capacitors depends on the voltage and the capacitance values.
Complete Step By Step Answer:
The voltage across the capacitor is given as:
$ V = \dfrac{Q}{C} $
Where $ Q $ is the charge stored in the capacitor of the capacitance $ C $ , $ V $ is the voltage
The energy stored in the capacitor is
$ E = \dfrac{1}{2}C{V^2} $
Complete step by step solution: Let us start by considering the capacitors, we get
The equivalent capacitance of the capacitors $ 20\mu F $ and $ 4\mu F $ is:
$ C = 20\mu F + 4\mu F = 24\mu F $
As the charge stored in the capacitor of $ 4\mu F $ is $ 16\mu C $ , the voltage across it is:
$ V = \dfrac{Q}{C} \\
\Rightarrow V = \dfrac{{16}}{4} = 4V \\ $
Thus, the voltage across the capacitors $ 20\mu F $ and $ 4\mu F $ is $ 4V $
As the capacitors $ 12\mu F $ and the parallel combination of the capacitors $ 20\mu F $ and $ 4\mu F $ are in series, so the voltage across the capacitor $ 12\mu F $ is
$ \left( {12 - 4} \right)V \Rightarrow 8V $
The energy stored in the capacitor of $ 12\mu F $ capacitance can be calculated using the formula
$ E = \dfrac{1}{2}C{V^2} $
Putting the values of the capacitance and the voltage, we get,
$ E = \dfrac{1}{2} \times 12 \times {\left( 8 \right)^2} \\
\Rightarrow E = 384J \\ $
Note :
It is important to see that the capacitors that are present in series combination have the different voltages while the combination of the capacitors that are present in the parallel combination have the same voltages across them. The energy stored in the capacitors depends on the voltage and the capacitance values.
Recently Updated Pages
Master Class 12 Business Studies: Engaging Questions & Answers for Success

Master Class 12 Economics: Engaging Questions & Answers for Success

Master Class 12 English: Engaging Questions & Answers for Success

Master Class 12 Maths: Engaging Questions & Answers for Success

Master Class 12 Social Science: Engaging Questions & Answers for Success

Master Class 12 Chemistry: Engaging Questions & Answers for Success

Trending doubts
The pH of the pancreatic juice is A 64 B 86 C 120 D class 12 biology CBSE

Explain sex determination in humans with the help of class 12 biology CBSE

Draw ray diagrams each showing i myopic eye and ii class 12 physics CBSE

Which state in India is known as the Granary of India class 12 social science CBSE

Using Huygens wave theory derive Snells law of ref class 12 physics CBSE

Dihybrid cross is made between RRYY yellow round seed class 12 biology CBSE

