
In parallel combination of n cells, we obtain:
(A) More voltage
(B) More current
(C) Less voltage
(D) Less current
Answer
550.5k+ views
Hint: When n cells are connected in parallel combination, the internal resistance of n individual cells taken together is reduced as we know that when resistances are connected in parallel, the equivalent resistance decreases as a result current increases.
Complete step by step answer:
Let us consider n cells connected in parallel combination, to make the calculations simple let the voltage across their positive and negative terminals or emf (electromotive force) be equal,
${{E}_{1}}={{E}_{2}}=...={{E}_{n}}=E$
And their internal resistance be,
${{r}_{1}}={{r}_{2}}=...={{r}_{n}}=r$
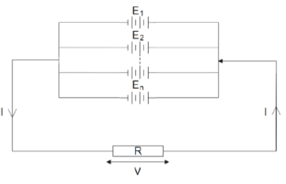
The circuit below shows n cells connected in parallel across a resistance R, with current I flowing in the circuit.
The emf of n cells connected in parallel will be equal to the emf of individual cell i.e. E.
Now, let us calculate the equivalent internal resistance of n cells, we get,
$\dfrac{1}{{{r}_{eq}}}=\dfrac{1}{{{r}_{1}}}+\dfrac{1}{{{r}_{2}}}+...+\dfrac{1}{{{r}_{n}}}=\dfrac{n}{r}$ (Since, ${{r}_{1}}={{r}_{2}}=...={{r}_{n}}=r$)
$\Rightarrow {{r}_{eq}}=\dfrac{r}{n}$
Thus, we see that the equivalent internal resistance of n cells is the internal resistance of an individual cell divided by n. The resistance in the equivalent circuit thus decreases and hence the current in the circuit increases.
Therefore, the correct answer is option (B).
Additional Information:
When n cells are connected in series combination, the equivalent emf is equal to the sum of individual emf,
${{E}_{1}}+{{E}_{2}}+...+{{E}_{n}}=nE$
And the equivalent internal resistance of n cells is,
${{r}_{1}}+{{r}_{2}}+...+{{r}_{n}}=nr$
Thus, we see in series combination the current in the circuit decreases as the equivalent internal resistance is n multiplied by resistance of an individual cell.
Note:
When the resistance to current flow in the circuit is increased the current in the circuit decreases and when the resistance to current flow in the circuit is decreased the current in the circuit increases, as according to Ohm’s law ($V=IR$), resistance and current are inversely proportional to each other.
Complete step by step answer:
Let us consider n cells connected in parallel combination, to make the calculations simple let the voltage across their positive and negative terminals or emf (electromotive force) be equal,
${{E}_{1}}={{E}_{2}}=...={{E}_{n}}=E$
And their internal resistance be,
${{r}_{1}}={{r}_{2}}=...={{r}_{n}}=r$
The circuit below shows n cells connected in parallel across a resistance R, with current I flowing in the circuit.
The emf of n cells connected in parallel will be equal to the emf of individual cell i.e. E.
Now, let us calculate the equivalent internal resistance of n cells, we get,
$\dfrac{1}{{{r}_{eq}}}=\dfrac{1}{{{r}_{1}}}+\dfrac{1}{{{r}_{2}}}+...+\dfrac{1}{{{r}_{n}}}=\dfrac{n}{r}$ (Since, ${{r}_{1}}={{r}_{2}}=...={{r}_{n}}=r$)
$\Rightarrow {{r}_{eq}}=\dfrac{r}{n}$
Thus, we see that the equivalent internal resistance of n cells is the internal resistance of an individual cell divided by n. The resistance in the equivalent circuit thus decreases and hence the current in the circuit increases.
Therefore, the correct answer is option (B).
Additional Information:
When n cells are connected in series combination, the equivalent emf is equal to the sum of individual emf,
${{E}_{1}}+{{E}_{2}}+...+{{E}_{n}}=nE$
And the equivalent internal resistance of n cells is,
${{r}_{1}}+{{r}_{2}}+...+{{r}_{n}}=nr$
Thus, we see in series combination the current in the circuit decreases as the equivalent internal resistance is n multiplied by resistance of an individual cell.
Note:
When the resistance to current flow in the circuit is increased the current in the circuit decreases and when the resistance to current flow in the circuit is decreased the current in the circuit increases, as according to Ohm’s law ($V=IR$), resistance and current are inversely proportional to each other.
Recently Updated Pages
The number of solutions in x in 02pi for which sqrt class 12 maths CBSE

Write any two methods of preparation of phenol Give class 12 chemistry CBSE

Differentiate between action potential and resting class 12 biology CBSE

Two plane mirrors arranged at right angles to each class 12 physics CBSE

Which of the following molecules is are chiral A I class 12 chemistry CBSE

Name different types of neurons and give one function class 12 biology CBSE

Trending doubts
Which are the Top 10 Largest Countries of the World?

What are the major means of transport Explain each class 12 social science CBSE

Draw a labelled sketch of the human eye class 12 physics CBSE

Differentiate between insitu conservation and exsitu class 12 biology CBSE

The computer jargonwwww stands for Aworld wide web class 12 physics CBSE

State the principle of an ac generator and explain class 12 physics CBSE

