
In a U-tube in which the cross-sectional area of the limb on the left is one-quarter, the limb on the right contains mercury (density 13.6 g/cc), and the level of mercury in the narrow limb is at a distance of 36cm from the upper end of the tube. What will be the rise in the level of mercury in the right limb if the left limb is filled to the top with water?
A. 1.2 cm
B. 2.35 cm
C. 0.5 cm
D. 0.8 cm
Answer
560.4k+ views
Hint: In this question we have been given that in a u tube the arms are filled with mercury. Later, water is added to the left arm which is one quarter the right arm. We have been asked to calculate the rise in mercury level in the right arm due to water added in the left arm. We know that pressure at a point in the u tube filled with a certain liquid is equal to the pressure at the point on the same horizontal plane in the other arm. This is due to Pascal's law.
Complete answer:
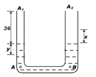
We know that when water is added in the u tube, the level of mercury in the arm will decrease by a certain height, say ‘y’ as shown in the figure. Therefore, water added will be (36+y) cm. now, as both the arms have different area say \[{{A}_{1}}\]and \[{{A}_{2}}\], the increase in mercury level in right arm will not be same as y.
Therefore, let us consider that the rise in mercury level in right arm is ‘x’
We know that,
\[{{A}_{2}}=\dfrac{1}{4}{{A}_{1}}\] ………… (1)
We know that the volume of mercury will remain constant.
Therefore,
\[{{A}_{2}}y={{A}_{1}}x\] ……….. (2)
From (1) and (2)
We get,
\[y=4x\] ……………. (3)
Now,
From Pascal's law for pressure at a point we know that the pressure at point A will be equal to the pressure at point b.
\[{{P}_{A}}={{P}_{B}}\] ……………. (4)
Now, pressure at point A is given by,
\[{{P}_{A}}={{P}_{0}}+(36+y){{\rho }_{w}}g\] ……………….. (5)
Similarly, pressure at point B,
\[{{P}_{B}}={{P}_{0}}+(x+y){{\rho }_{m}}g\]…………………. (6)
Now, from (4), (5) and (6)
We get,
\[{{P}_{0}}+(36+y){{\rho }_{w}}g={{P}_{0}}+(x+y){{\rho }_{m}}g\]
On solving,
\[(36+4x)\times 1=5x\times 13.6\] …………… (from (3))
Therefore,
\[x=0.56cm\]
Therefore, the correct answer is option C.
Note:
Pascal's law also known as Pascal's principle states that, in a fluid at rest in a closed container, pressure change at one point is transmitted through the entire container such that same changes occur everywhere. The pressure in the container will increase as the length of the liquid in the container is increased.
Complete answer:
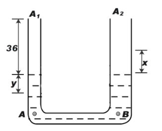
We know that when water is added in the u tube, the level of mercury in the arm will decrease by a certain height, say ‘y’ as shown in the figure. Therefore, water added will be (36+y) cm. now, as both the arms have different area say \[{{A}_{1}}\]and \[{{A}_{2}}\], the increase in mercury level in right arm will not be same as y.
Therefore, let us consider that the rise in mercury level in right arm is ‘x’
We know that,
\[{{A}_{2}}=\dfrac{1}{4}{{A}_{1}}\] ………… (1)
We know that the volume of mercury will remain constant.
Therefore,
\[{{A}_{2}}y={{A}_{1}}x\] ……….. (2)
From (1) and (2)
We get,
\[y=4x\] ……………. (3)
Now,
From Pascal's law for pressure at a point we know that the pressure at point A will be equal to the pressure at point b.
\[{{P}_{A}}={{P}_{B}}\] ……………. (4)
Now, pressure at point A is given by,
\[{{P}_{A}}={{P}_{0}}+(36+y){{\rho }_{w}}g\] ……………….. (5)
Similarly, pressure at point B,
\[{{P}_{B}}={{P}_{0}}+(x+y){{\rho }_{m}}g\]…………………. (6)
Now, from (4), (5) and (6)
We get,
\[{{P}_{0}}+(36+y){{\rho }_{w}}g={{P}_{0}}+(x+y){{\rho }_{m}}g\]
On solving,
\[(36+4x)\times 1=5x\times 13.6\] …………… (from (3))
Therefore,
\[x=0.56cm\]
Therefore, the correct answer is option C.
Note:
Pascal's law also known as Pascal's principle states that, in a fluid at rest in a closed container, pressure change at one point is transmitted through the entire container such that same changes occur everywhere. The pressure in the container will increase as the length of the liquid in the container is increased.
Recently Updated Pages
Why are manures considered better than fertilizers class 11 biology CBSE

Find the coordinates of the midpoint of the line segment class 11 maths CBSE

Distinguish between static friction limiting friction class 11 physics CBSE

The Chairman of the constituent Assembly was A Jawaharlal class 11 social science CBSE

The first National Commission on Labour NCL submitted class 11 social science CBSE

Number of all subshell of n + l 7 is A 4 B 5 C 6 D class 11 chemistry CBSE

Trending doubts
What is meant by exothermic and endothermic reactions class 11 chemistry CBSE

10 examples of friction in our daily life

One Metric ton is equal to kg A 10000 B 1000 C 100 class 11 physics CBSE

1 Quintal is equal to a 110 kg b 10 kg c 100kg d 1000 class 11 physics CBSE

Difference Between Prokaryotic Cells and Eukaryotic Cells

What are Quantum numbers Explain the quantum number class 11 chemistry CBSE

