
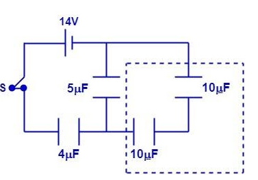
Four capacitors and a switch S are connected to a source as shown in the figure. Initially S is open and the capacitors are uncharged. After S is closed and steady state is reached. What is the energy stored in the $ 4\mu F $ capacitor in the units of $ {{10}^{-5}}J $ ?
(A) 40
(B) 30
(C) 20
(D) 15
Answer
551.7k+ views
Hint: Resolve all the combination of capacitors using capacitors in series and parallel formula i.e.
$ \begin{align}
& {{\text{C}}_{\text{p}}}={{\text{C}}_{1}}+{{\text{C}}_{2}}+..........{{\text{C}}_{\text{n}}} \\
& \dfrac{1}{{{\text{C}}_{s}}}=\dfrac{1}{{{\text{C}}_{1}}}+\dfrac{1}{{{\text{C}}_{2}}}+......\dfrac{1}{{{\text{C}}_{\text{n}}}} \\
\end{align} $
Then calculate the charge in the circuit. As charge remains the same in series combination so charge in the $ \text{4 }\!\!\mu\!\!\text{ f} $ capacitor is the same as that in the whole circuit. Using the formula of energy, we can get the required answer.
$ \text{U}=\dfrac{{{\text{Q}}^{2}}}{2\text{C}} $
Complete step by step solution
When the switch is closed and the steady state is reached, the charge in the circuit is fixed.
First we resolve the combinations of capacitors.
We can see that the two capacitors of $ \text{10 }\!\!\mu\!\!\text{ f} $ are in series with each other so their resultant capacitance is:
$ \begin{align}
& \dfrac{1}{{{\text{C}}_{1}}}=\dfrac{1}{10}+\dfrac{1}{10}=\dfrac{10+10}{100} \\
& {{\text{C}}_{1}}=\dfrac{100}{20}=5\text{ }\!\!\mu\!\!\text{ f} \\
\end{align} $
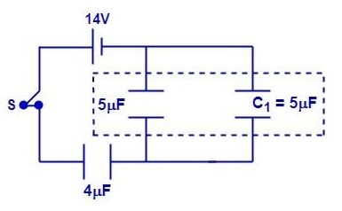
Now both $ {{\text{C}}_{1}}=5\text{ }\!\!\mu\!\!\text{ f} $ and the other $ 5\text{ }\!\!\mu\!\!\text{ f} $ capacitor are in parallel so the resultant capacitance will be
$ \begin{align}
& {{\text{C}}_{2}}={{\text{C}}_{1}}+5 \\
& =5+5 \\
& =10\text{ }\!\!\mu\!\!\text{ f} \\
\end{align} $
Now the circuit formed is
Now applying the Kirchhoff’s voltage law in the formed circuit
We get,
$ \begin{align}
& 14-\dfrac{\text{Q}}{10\times {{10}^{-6}}}-\dfrac{\text{Q}}{4\times {{10}^{-6}}}=0 \\
& \dfrac{280\times {{10}^{-6}}-2\text{Q}-5\text{Q}}{20\times {{10}^{-6}}}=0 \\
& 280\times {{10}^{-6}}-7\text{Q=0} \\
& \text{280}\times {{10}^{-6}}=7\text{Q} \\
& \text{Q}=\dfrac{280}{7}\times {{10}^{-6}} \\
& =40\times {{10}^{-6}}\text{C} \\
& \text{=40 }\!\!\mu\!\!\text{ C} \\
\end{align} $
Energy in $ \text{4 }\!\!\mu\!\!\text{ f} $ capacitor $ =\dfrac{{{\text{Q}}^{2}}}{2\text{C}} $
$ \begin{align}
& \text{U}=\dfrac{{{\left( 40\times {{10}^{-6}} \right)}^{2}}}{2\times 4\times {{10}^{-6}}} \\
& \text{ =}\dfrac{1600\times {{10}^{-12}}}{8\times {{10}^{-6}}} \\
& \text{U}=200\times {{10}^{-6}}\text{ J} \\
& \text{U}=20\times {{10}^{-5}}\text{ J} \\
\end{align} $
Therefore the correct option is (C).
Note
Always resolve all the capacitors into the simplest circuit first while solving these kinds of questions.
Also we can calculate the charge Q in the capacitor without applying Kirchhoff law by using the formula
Q = CV
V = 14V
Where C is the net capacitance in the whole circuit. This can be calculated as $ {{\text{C}}_{2}}=10\text{ }\!\!\mu\!\!\text{ f} $ and $ \text{4 }\!\!\mu\!\!\text{ f} $ capacitors are in series combination.
So
$ \begin{align}
& \dfrac{1}{\text{C}}=\dfrac{1}{{{\text{C}}_{2}}}+\dfrac{1}{4\times {{10}^{-6}}}=\left[ \dfrac{1}{10}+\dfrac{1}{4} \right]\times {{10}^{6}} \\
& \dfrac{1}{\text{C}}=\left[ \dfrac{2+50}{20} \right]\times {{10}^{6}} \\
& \text{C}=\dfrac{20}{7}\times {{10}^{-6}} \\
& =\dfrac{20}{7}\text{ }\!\!\mu\!\!\text{ f} \\
\end{align} $
So
$ \begin{align}
& \text{Q}=\dfrac{20}{7}\times {{10}^{-6}}\times 14 \\
& \text{ }=40\times {{10}^{-6}}\text{ C} \\
& \text{Q}=40\text{ }\!\!\mu\!\!\text{ C} \\
\end{align} $
From this value of charge we get the value of energy in the given capacitor.
$ \begin{align}
& {{\text{C}}_{\text{p}}}={{\text{C}}_{1}}+{{\text{C}}_{2}}+..........{{\text{C}}_{\text{n}}} \\
& \dfrac{1}{{{\text{C}}_{s}}}=\dfrac{1}{{{\text{C}}_{1}}}+\dfrac{1}{{{\text{C}}_{2}}}+......\dfrac{1}{{{\text{C}}_{\text{n}}}} \\
\end{align} $
Then calculate the charge in the circuit. As charge remains the same in series combination so charge in the $ \text{4 }\!\!\mu\!\!\text{ f} $ capacitor is the same as that in the whole circuit. Using the formula of energy, we can get the required answer.
$ \text{U}=\dfrac{{{\text{Q}}^{2}}}{2\text{C}} $
Complete step by step solution
When the switch is closed and the steady state is reached, the charge in the circuit is fixed.
First we resolve the combinations of capacitors.
We can see that the two capacitors of $ \text{10 }\!\!\mu\!\!\text{ f} $ are in series with each other so their resultant capacitance is:
$ \begin{align}
& \dfrac{1}{{{\text{C}}_{1}}}=\dfrac{1}{10}+\dfrac{1}{10}=\dfrac{10+10}{100} \\
& {{\text{C}}_{1}}=\dfrac{100}{20}=5\text{ }\!\!\mu\!\!\text{ f} \\
\end{align} $
Now both $ {{\text{C}}_{1}}=5\text{ }\!\!\mu\!\!\text{ f} $ and the other $ 5\text{ }\!\!\mu\!\!\text{ f} $ capacitor are in parallel so the resultant capacitance will be
$ \begin{align}
& {{\text{C}}_{2}}={{\text{C}}_{1}}+5 \\
& =5+5 \\
& =10\text{ }\!\!\mu\!\!\text{ f} \\
\end{align} $
Now the circuit formed is
Now applying the Kirchhoff’s voltage law in the formed circuit
We get,
$ \begin{align}
& 14-\dfrac{\text{Q}}{10\times {{10}^{-6}}}-\dfrac{\text{Q}}{4\times {{10}^{-6}}}=0 \\
& \dfrac{280\times {{10}^{-6}}-2\text{Q}-5\text{Q}}{20\times {{10}^{-6}}}=0 \\
& 280\times {{10}^{-6}}-7\text{Q=0} \\
& \text{280}\times {{10}^{-6}}=7\text{Q} \\
& \text{Q}=\dfrac{280}{7}\times {{10}^{-6}} \\
& =40\times {{10}^{-6}}\text{C} \\
& \text{=40 }\!\!\mu\!\!\text{ C} \\
\end{align} $
Energy in $ \text{4 }\!\!\mu\!\!\text{ f} $ capacitor $ =\dfrac{{{\text{Q}}^{2}}}{2\text{C}} $
$ \begin{align}
& \text{U}=\dfrac{{{\left( 40\times {{10}^{-6}} \right)}^{2}}}{2\times 4\times {{10}^{-6}}} \\
& \text{ =}\dfrac{1600\times {{10}^{-12}}}{8\times {{10}^{-6}}} \\
& \text{U}=200\times {{10}^{-6}}\text{ J} \\
& \text{U}=20\times {{10}^{-5}}\text{ J} \\
\end{align} $
Therefore the correct option is (C).
Note
Always resolve all the capacitors into the simplest circuit first while solving these kinds of questions.
Also we can calculate the charge Q in the capacitor without applying Kirchhoff law by using the formula
Q = CV
V = 14V
Where C is the net capacitance in the whole circuit. This can be calculated as $ {{\text{C}}_{2}}=10\text{ }\!\!\mu\!\!\text{ f} $ and $ \text{4 }\!\!\mu\!\!\text{ f} $ capacitors are in series combination.
So
$ \begin{align}
& \dfrac{1}{\text{C}}=\dfrac{1}{{{\text{C}}_{2}}}+\dfrac{1}{4\times {{10}^{-6}}}=\left[ \dfrac{1}{10}+\dfrac{1}{4} \right]\times {{10}^{6}} \\
& \dfrac{1}{\text{C}}=\left[ \dfrac{2+50}{20} \right]\times {{10}^{6}} \\
& \text{C}=\dfrac{20}{7}\times {{10}^{-6}} \\
& =\dfrac{20}{7}\text{ }\!\!\mu\!\!\text{ f} \\
\end{align} $
So
$ \begin{align}
& \text{Q}=\dfrac{20}{7}\times {{10}^{-6}}\times 14 \\
& \text{ }=40\times {{10}^{-6}}\text{ C} \\
& \text{Q}=40\text{ }\!\!\mu\!\!\text{ C} \\
\end{align} $
From this value of charge we get the value of energy in the given capacitor.
Recently Updated Pages
Master Class 12 English: Engaging Questions & Answers for Success

Master Class 12 Business Studies: Engaging Questions & Answers for Success

Master Class 12 Economics: Engaging Questions & Answers for Success

Master Class 12 Social Science: Engaging Questions & Answers for Success

Master Class 12 Maths: Engaging Questions & Answers for Success

Master Class 12 Chemistry: Engaging Questions & Answers for Success

Trending doubts
What are the major means of transport Explain each class 12 social science CBSE

Which are the Top 10 Largest Countries of the World?

Draw a labelled sketch of the human eye class 12 physics CBSE

Explain sex determination in humans with line diag class 12 biology CBSE

Explain sex determination in humans with the help of class 12 biology CBSE

Differentiate between homogeneous and heterogeneous class 12 chemistry CBSE

