
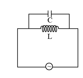
For the circuit shown in the figure the current through the inductor is 1.6 A, while the current through the condenser is 0.4 A, then the current I drawn from the source is,
A. \[2\sqrt 2 \;{\rm{A}}\]
B. \[1.65\;{\rm{A}}\]
C. \[1.2\;{\rm{A}}\]
D. \[2.0\;{\rm{A}}\]
Answer
574.2k+ views
Hint: The above problem can be resolved using the concepts and fundamental relations for the phase difference on the voltage supply as well as the current flow across the given capacitive- Inductive circuit. Moreover, this phase difference will decide the idea of the required current flow from the given source.
Complete step-by-step solution:
Given:
The magnitude of current through the inductor is, \[{I_1} = 1.6\;{\rm{A}}\].
The magnitude of current through the condenser is, \[{I_2} = 0.4\;{\rm{A}}\].
The circuit consisting of capacitor capacitance C and inductor of inductance L is shown in the figure,
Let I be the current drawn from the source
In an L-C circuit, the capacitor possesses a lead of \[90\;^\circ \]in its voltage supply, while the inductor possesses the lag of \[90\;^\circ \] in its voltage supply. This account for the current flow through the inductor will lag by \[180\;^\circ \] with respect to the current flow across the capacitor or the condenser.
Then the magnitude of current drawn from the source is given as,
\[I = {I_1} - {I_2}\]
Substituting the values,
\[\begin{array}{l}
I = {I_1} - {I_2}\\
I = 1.6\;{\rm{A}} - 0.4\;{\rm{A}}\\
I = 1.2\;{\rm{A}}
\end{array}\]
Therefore, the required magnitude of current from the source is 1.2 A and option C is correct.
Note: The problem uses the concepts of phase difference among the voltages, therefore it is important to remember the phase differences for the various kinds of circuits like LC circuit, RL circuit, RLC circuit and many more. Along with this the key concept of the phases of current flow is also to be remembered to resolve the given condition.
Complete step-by-step solution:
Given:
The magnitude of current through the inductor is, \[{I_1} = 1.6\;{\rm{A}}\].
The magnitude of current through the condenser is, \[{I_2} = 0.4\;{\rm{A}}\].
The circuit consisting of capacitor capacitance C and inductor of inductance L is shown in the figure,
Let I be the current drawn from the source
In an L-C circuit, the capacitor possesses a lead of \[90\;^\circ \]in its voltage supply, while the inductor possesses the lag of \[90\;^\circ \] in its voltage supply. This account for the current flow through the inductor will lag by \[180\;^\circ \] with respect to the current flow across the capacitor or the condenser.
Then the magnitude of current drawn from the source is given as,
\[I = {I_1} - {I_2}\]
Substituting the values,
\[\begin{array}{l}
I = {I_1} - {I_2}\\
I = 1.6\;{\rm{A}} - 0.4\;{\rm{A}}\\
I = 1.2\;{\rm{A}}
\end{array}\]
Therefore, the required magnitude of current from the source is 1.2 A and option C is correct.
Note: The problem uses the concepts of phase difference among the voltages, therefore it is important to remember the phase differences for the various kinds of circuits like LC circuit, RL circuit, RLC circuit and many more. Along with this the key concept of the phases of current flow is also to be remembered to resolve the given condition.
Recently Updated Pages
Two men on either side of the cliff 90m height observe class 10 maths CBSE

What happens to glucose which enters nephron along class 10 biology CBSE

Cutting of the Chinese melon means A The business and class 10 social science CBSE

Write a dialogue with at least ten utterances between class 10 english CBSE

Show an aquatic food chain using the following organisms class 10 biology CBSE

A circle is inscribed in an equilateral triangle and class 10 maths CBSE

Trending doubts
Why is there a time difference of about 5 hours between class 10 social science CBSE

Write a letter to the principal requesting him to grant class 10 english CBSE

What is the median of the first 10 natural numbers class 10 maths CBSE

The Equation xxx + 2 is Satisfied when x is Equal to Class 10 Maths

Which of the following does not have a fundamental class 10 physics CBSE

State and prove converse of BPT Basic Proportionality class 10 maths CBSE

