
Derive the condition for balance of a Wheatstone's bridge using Kirchhoff's rules.
Answer
557.4k+ views
Hint: Draw the Wheatstone bridge circuit diagram first and then try to analyse the condition. By using the notion of current flow and voltage division, try to understand the concept of the bridge and obtain the required balanced condition. The circuit laws of Kirchhoff are two equalities dealing with the current and potential difference in the electrical circuit lumped element model.
Complete answer:
It can be mathematically expressed, as per Kirchhoff's first rule, as:
$\Sigma i=0$
Where $\Sigma i$ is the sum of current entering the junction and current leaving the junction.
It can be mathematically expressed, as per Kirchhoff's first rule, as:
$\Sigma i R=\Sigma E$
Where $\Sigma R$ is the resistance at the junction and $\Sigma E$ is the emf at the junction.
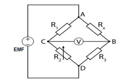
Here $G$ is the galvanometer and it is used to measure the current flowing across two points.
And $R_{1}, R_{2}, R_{3}$ and $R_{x}$ are the resistances connected as shown in the above diagram.
Across the points and as shown, the resistances are related. If the current flows through the circuit and the circuit,
No deflection is provided by the galvanometer, so the bridge is balanced. We must have the conditions for a balanced bridge.
as:
$\dfrac{R_{x}}{R_{3}}=\dfrac{R_{1}}{R_{2}}$
Let the total current flowing in the circuit be I. Now this current is divided into two parts $i_1$ and $i_2$ flowing through
$R_{x}, R_{3}$ and $R_{1}, R_{2} .$ When the Wheatstone is balanced, the galvanometer shows zero deflection, that is the potential
of $B$ and $C$ will be equal. In the closed circuit ABCD, by Kirchhoff's second law, we will have:
$\Rightarrow i_{1} R_{1}-i_{2} R_{x}=0$
$\Rightarrow i_{1} R_{1}=i_{2} R_{x}$ - -equation 1
And
$i_{1} R_{2}-i_{2} R_{3}=0$
$\Rightarrow i_{1} R_{2}=i_{2} R_{3}$ - -equation 2
Dividing equation 1 by equation 2, we have $\dfrac{i_{1} R_{1}}{i_{1} R_{2}}=\dfrac{i_{2} R_{x}}{i_{2} R_{3}}$
$\therefore \dfrac{R_{1}}{R_{2}}=\dfrac{R_{x}}{R_{3}}$
Which is the required condition.
Note:
Remember that Kirchhoff's law has two rules. Using both the rules, the condition for balanced Wheatstone may be obtained. The laws of Kirchhoff are used to study any type of circuit, whether the circuit is simple or complex.
Complete answer:
It can be mathematically expressed, as per Kirchhoff's first rule, as:
$\Sigma i=0$
Where $\Sigma i$ is the sum of current entering the junction and current leaving the junction.
It can be mathematically expressed, as per Kirchhoff's first rule, as:
$\Sigma i R=\Sigma E$
Where $\Sigma R$ is the resistance at the junction and $\Sigma E$ is the emf at the junction.
Here $G$ is the galvanometer and it is used to measure the current flowing across two points.
And $R_{1}, R_{2}, R_{3}$ and $R_{x}$ are the resistances connected as shown in the above diagram.
Across the points and as shown, the resistances are related. If the current flows through the circuit and the circuit,
No deflection is provided by the galvanometer, so the bridge is balanced. We must have the conditions for a balanced bridge.
as:
$\dfrac{R_{x}}{R_{3}}=\dfrac{R_{1}}{R_{2}}$
Let the total current flowing in the circuit be I. Now this current is divided into two parts $i_1$ and $i_2$ flowing through
$R_{x}, R_{3}$ and $R_{1}, R_{2} .$ When the Wheatstone is balanced, the galvanometer shows zero deflection, that is the potential
of $B$ and $C$ will be equal. In the closed circuit ABCD, by Kirchhoff's second law, we will have:
$\Rightarrow i_{1} R_{1}-i_{2} R_{x}=0$
$\Rightarrow i_{1} R_{1}=i_{2} R_{x}$ - -equation 1
And
$i_{1} R_{2}-i_{2} R_{3}=0$
$\Rightarrow i_{1} R_{2}=i_{2} R_{3}$ - -equation 2
Dividing equation 1 by equation 2, we have $\dfrac{i_{1} R_{1}}{i_{1} R_{2}}=\dfrac{i_{2} R_{x}}{i_{2} R_{3}}$
$\therefore \dfrac{R_{1}}{R_{2}}=\dfrac{R_{x}}{R_{3}}$
Which is the required condition.
Note:
Remember that Kirchhoff's law has two rules. Using both the rules, the condition for balanced Wheatstone may be obtained. The laws of Kirchhoff are used to study any type of circuit, whether the circuit is simple or complex.
Recently Updated Pages
Why are manures considered better than fertilizers class 11 biology CBSE

Find the coordinates of the midpoint of the line segment class 11 maths CBSE

Distinguish between static friction limiting friction class 11 physics CBSE

The Chairman of the constituent Assembly was A Jawaharlal class 11 social science CBSE

The first National Commission on Labour NCL submitted class 11 social science CBSE

Number of all subshell of n + l 7 is A 4 B 5 C 6 D class 11 chemistry CBSE

Trending doubts
What is meant by exothermic and endothermic reactions class 11 chemistry CBSE

10 examples of friction in our daily life

One Metric ton is equal to kg A 10000 B 1000 C 100 class 11 physics CBSE

1 Quintal is equal to a 110 kg b 10 kg c 100kg d 1000 class 11 physics CBSE

Difference Between Prokaryotic Cells and Eukaryotic Cells

What are Quantum numbers Explain the quantum number class 11 chemistry CBSE

