
(a) Which is the better way to connect lights and other electrical appliances in domestic wiring: series circuits or parallel circuits ? Why?
(b) Christmas tree lamps are usually wired in series. What happens if one lamp breaks?
(c) An electrician has wired a house in such a way that if a lamp gets fused in one room of the house, all the lamps in other rooms of the house stop working. What is the defect in the
wiring ?
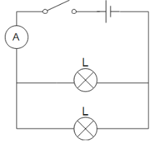
(d) Draw a circuit diagram showing two electric lamps connected in parallel together with a
cell and a switch that works both lamps. Mark an. on your diagram to show where an ammeter should be placed to measure the current.
Answer
502.2k+ views
Hint: We know that in a series connection, the current passes through only one path and all the appliance on the line receive the same amount of current , but does not have same potential difference, whereas in a parallel circuit, all the appliances have the same potential difference and path of current is not unity.
Complete answer:
(a) We see that always a parallel connection will be better to connect lights and other electrical appliances in domestic wirings because: i. The resistance in case of a parallel circuit is always of low resistance, with formula - $\dfrac{1}{{{R_{eq}}}} = \dfrac{1}{{{R_1}}} + \dfrac{1}{{{R_2}}} + ... + \dfrac{1}{{{R_n}}}$ and ii. If there is a short circuit in a parallel wiring, only one device stops working, other appliances are not affected.
(b) We see Christmas trees are generally connected in series, now if one bulb is damaged, the power is cut off from all the other bulbs as in case of a series circuit, hence all the bulbs in the tree are switched off or stop working.
(c) The electrician has wired the house in a series connection and thus if one appliance experiences a fault, every other appliance stops working.
(d) The circuit diagram to connect two electric lamps connected in parallel together with a
cell and a switch that works both lamps is as follows:
Note: Always note that a series circuit consumes more voltage as it has higher resistance, also it has several problems like that above stated example, thus a parallel circuit should always be considered for domestic wiring. It is important to remember the formula of resistance of both types.
Complete answer:
(a) We see that always a parallel connection will be better to connect lights and other electrical appliances in domestic wirings because: i. The resistance in case of a parallel circuit is always of low resistance, with formula - $\dfrac{1}{{{R_{eq}}}} = \dfrac{1}{{{R_1}}} + \dfrac{1}{{{R_2}}} + ... + \dfrac{1}{{{R_n}}}$ and ii. If there is a short circuit in a parallel wiring, only one device stops working, other appliances are not affected.
(b) We see Christmas trees are generally connected in series, now if one bulb is damaged, the power is cut off from all the other bulbs as in case of a series circuit, hence all the bulbs in the tree are switched off or stop working.
(c) The electrician has wired the house in a series connection and thus if one appliance experiences a fault, every other appliance stops working.
(d) The circuit diagram to connect two electric lamps connected in parallel together with a
cell and a switch that works both lamps is as follows:
Note: Always note that a series circuit consumes more voltage as it has higher resistance, also it has several problems like that above stated example, thus a parallel circuit should always be considered for domestic wiring. It is important to remember the formula of resistance of both types.
Recently Updated Pages
Master Class 10 Computer Science: Engaging Questions & Answers for Success

Master Class 10 General Knowledge: Engaging Questions & Answers for Success

Master Class 10 English: Engaging Questions & Answers for Success

Master Class 10 Social Science: Engaging Questions & Answers for Success

Master Class 10 Maths: Engaging Questions & Answers for Success

Master Class 10 Science: Engaging Questions & Answers for Success

Trending doubts
What is the median of the first 10 natural numbers class 10 maths CBSE

Which women's tennis player has 24 Grand Slam singles titles?

Who is the Brand Ambassador of Incredible India?

Why is there a time difference of about 5 hours between class 10 social science CBSE

Write a letter to the principal requesting him to grant class 10 english CBSE

A moving boat is observed from the top of a 150 m high class 10 maths CBSE

