
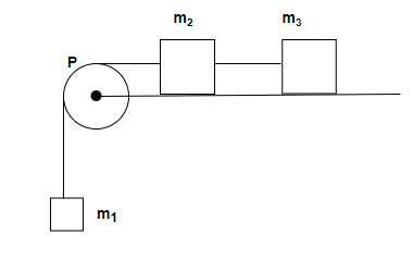
A system consists of three identical masses m1, m2 and m3 connected by a string passing over a pulley P. The mass m1 hangs freely and m2 and m3 are on a rough horizontal table (the coefficient of friction \[ = \mu \]). The pulley is frictionless and of negligible mass. The downward acceleration of mass m1 is:
Answer
573.9k+ views
Hint: This given problem can be solved by taking the consideration of motion of bodies on a frictional surface and under the gravitational force when these bodies are connected with each other by a string and hanged on some light and frictionless pulley.
Step-by-step solution:
Step 1: As given in the question three identical masses \[\mathop m\nolimits_1 \], \[\mathop m\nolimits_2 \] and \[\mathop m\nolimits_3 \] connected by a string passing over a pulley P. The mass \[\mathop m\nolimits_1 \] is hanging freely and other two masses \[\mathop m\nolimits_2 \] and \[\mathop m\nolimits_3 \] are kept at the surface and the frictional coefficient of this surface is \[\mu \].
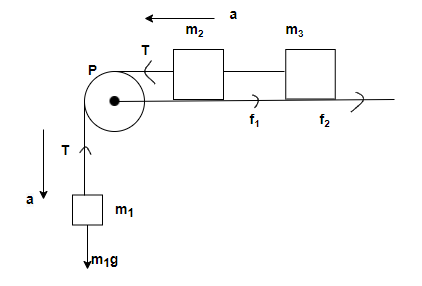
Let us consider that the mass \[\mathop m\nolimits_1 \] moves downward with acceleration \[a\]. So, the masses \[\mathop m\nolimits_2 \]and \[\mathop m\nolimits_3 \]also move on horizontal surface with acceleration \[a\].
The given pulley is light in weight and frictionless so tension \[T\] in the string will be the same at each n every point.
As shown in the above figure forces should be balanced out for the closed system.
Step 2: So, for the motion of horizontal blocks –
\[\left( {\mathop m\nolimits_2 + \mathop m\nolimits_3 } \right)a = T - \mathop f\nolimits_1 - \mathop f\nolimits_2 \]; where \[\mathop f\nolimits_1 \] is frictional force on mass \[\mathop m\nolimits_2 \], \[\mathop f\nolimits_2 \] is frictional force on mass \[\mathop m\nolimits_3 \], and \[\left( {\mathop m\nolimits_2 + \mathop m\nolimits_3 } \right)a\] is force on masses \[\mathop m\nolimits_2 \]and \[\mathop m\nolimits_3 \] due to acceleration.
It is given that all three masses are identical so let \[\mathop m\nolimits_{1 = } \mathop m\nolimits_{2 = } \mathop m\nolimits_3 = m\]
And, \[\mathop f\nolimits_1 = \mathop f\nolimits_2 = \mu mg\] i.e. frictional forces on masses \[\mathop m\nolimits_2 \]and \[\mathop m\nolimits_3 \].
\[2ma = T - 2\mu mg\] …………………..(1)
Step 3: For the motion of vertical block –
\[\mathop m\nolimits_1 a = \mathop m\nolimits_1 g - T\] or
\[ma = mg - T\] ……………………………..(2)
So, from equation (1) and (2), we will get
\[T = mg - ma\]
\[2ma = mg - ma - 2\mu mg\] on rearranging this equation, we will get –
\[3ma = \left( {1 - 2\mu } \right)mg\]on further solving this equation
\[a = \dfrac{{\left( {1 - 2\mu } \right)g}}{3}\]
So, the correct answer is \[a = \dfrac{{\left( {1 - 2\mu } \right)g}}{3}\].
Note:
-It should be remembered that friction always opposes the relative motion and because of that frictional force will always be opposite to the motion due to acceleration.
-Remember that friction will be there only when the body is actually sliding/rolling over the surface of another body.
Step-by-step solution:
Step 1: As given in the question three identical masses \[\mathop m\nolimits_1 \], \[\mathop m\nolimits_2 \] and \[\mathop m\nolimits_3 \] connected by a string passing over a pulley P. The mass \[\mathop m\nolimits_1 \] is hanging freely and other two masses \[\mathop m\nolimits_2 \] and \[\mathop m\nolimits_3 \] are kept at the surface and the frictional coefficient of this surface is \[\mu \].
Let us consider that the mass \[\mathop m\nolimits_1 \] moves downward with acceleration \[a\]. So, the masses \[\mathop m\nolimits_2 \]and \[\mathop m\nolimits_3 \]also move on horizontal surface with acceleration \[a\].
The given pulley is light in weight and frictionless so tension \[T\] in the string will be the same at each n every point.
As shown in the above figure forces should be balanced out for the closed system.
Step 2: So, for the motion of horizontal blocks –
\[\left( {\mathop m\nolimits_2 + \mathop m\nolimits_3 } \right)a = T - \mathop f\nolimits_1 - \mathop f\nolimits_2 \]; where \[\mathop f\nolimits_1 \] is frictional force on mass \[\mathop m\nolimits_2 \], \[\mathop f\nolimits_2 \] is frictional force on mass \[\mathop m\nolimits_3 \], and \[\left( {\mathop m\nolimits_2 + \mathop m\nolimits_3 } \right)a\] is force on masses \[\mathop m\nolimits_2 \]and \[\mathop m\nolimits_3 \] due to acceleration.
It is given that all three masses are identical so let \[\mathop m\nolimits_{1 = } \mathop m\nolimits_{2 = } \mathop m\nolimits_3 = m\]
And, \[\mathop f\nolimits_1 = \mathop f\nolimits_2 = \mu mg\] i.e. frictional forces on masses \[\mathop m\nolimits_2 \]and \[\mathop m\nolimits_3 \].
\[2ma = T - 2\mu mg\] …………………..(1)
Step 3: For the motion of vertical block –
\[\mathop m\nolimits_1 a = \mathop m\nolimits_1 g - T\] or
\[ma = mg - T\] ……………………………..(2)
So, from equation (1) and (2), we will get
\[T = mg - ma\]
\[2ma = mg - ma - 2\mu mg\] on rearranging this equation, we will get –
\[3ma = \left( {1 - 2\mu } \right)mg\]on further solving this equation
\[a = \dfrac{{\left( {1 - 2\mu } \right)g}}{3}\]
So, the correct answer is \[a = \dfrac{{\left( {1 - 2\mu } \right)g}}{3}\].
Note:
-It should be remembered that friction always opposes the relative motion and because of that frictional force will always be opposite to the motion due to acceleration.
-Remember that friction will be there only when the body is actually sliding/rolling over the surface of another body.
Recently Updated Pages
Why are manures considered better than fertilizers class 11 biology CBSE

Find the coordinates of the midpoint of the line segment class 11 maths CBSE

Distinguish between static friction limiting friction class 11 physics CBSE

The Chairman of the constituent Assembly was A Jawaharlal class 11 social science CBSE

The first National Commission on Labour NCL submitted class 11 social science CBSE

Number of all subshell of n + l 7 is A 4 B 5 C 6 D class 11 chemistry CBSE

Trending doubts
What is meant by exothermic and endothermic reactions class 11 chemistry CBSE

10 examples of friction in our daily life

One Metric ton is equal to kg A 10000 B 1000 C 100 class 11 physics CBSE

1 Quintal is equal to a 110 kg b 10 kg c 100kg d 1000 class 11 physics CBSE

Difference Between Prokaryotic Cells and Eukaryotic Cells

What are Quantum numbers Explain the quantum number class 11 chemistry CBSE

