
A short bar magnet is placed in a horizontal plane with its axis in the magnitude meridian. Null points are found on its equatorial line at $12.5\,cm$ from the center of the magnet. The earth’s magnetic field at the place is $0.38G$ and the angle of dip is zero.
$(i)$What is the total magnetic field at points on the axis of the magnet located at the same distance $(12.5)$ from the center?
$(ii)$ Locate the null points when the magnet is turned around by ${180^ \circ }$
Answer
542.1k+ views
Hint: The pole strength and distance between the two poles are dependent on the product. Here The distance between a magnetics two poles then we know the equatorial line point value, the magnet center and also the magnetic field angle, so we can solve the above two statements.
Useful formula:
Magnetic field on the normal bisector at a distance,
$r$ from the center is given by $\overrightarrow {{B_e}} = - \dfrac{{{\mu _0}}}{{4\pi }}\dfrac{{\overrightarrow M }}{{{r^3}}}$
Where,
${B_e}$ at axial point,
$\overrightarrow M $ is a magnetic dipole,
${\mu _0}$ is a null point
Complete step by step solution:
Given by,
Equatorial line at $12.5\,cm$
Magnetic field at the place is $0.38\,G$
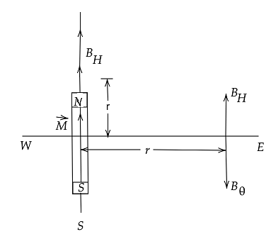
Figure A
It is known that when the magnet's north and south poles face magnetic north and south respectively, null points are obtained on the usual bisector.
At a distance, the magnetic field on the standard bisector $r$ from the center is given by $\overrightarrow {{B_e}} = - \dfrac{{{\mu _0}}}{{4\pi }}\dfrac{{\overrightarrow M }}{{{r^3}}}$
Provided $r$ is much greater than the length of the magnet.
At a null point,
This field is balanced by the earth’s field.
So,
${B_e} = {B_H}$,
$\dfrac{{{\mu _0}}}{{4\pi }}\dfrac{{\overrightarrow M }}{{{r^3}}} = 0.38 \times {10^4}$…………… $(1)$
Since the dip angle $(S)$ is zero,
Here,
Therefore,
${B_v} = 0$
The horizontal part of the field of the earth equals the field itself.
Next,
Magnetic field due to a magnet at a distant point on its axis $r$ from the center is given by
${B_a} = \dfrac{{{\mu _0}}}{{4\pi }}\dfrac{{2M}}{{{r^3}}}$………………………….$(2)$
This is much larger than the length of the magnet $r$ given.
Then,
The above equation only applies strictly to a point dipole from fig A
It is apparent that on the axis, this field adds up to the field of the planet,
Figure B
Thus, the total field at a point on the axis has a magnitude equal to ${B_a} + {B_H}$
$\dfrac{{{\mu _0}}}{{4\pi }}\dfrac{{2M}}{{{r^3}}} + 0.38 \times {10^4}$…………..$(3)$
According to the $\overrightarrow M $
Which is parallel to the field of the earth in case A
Thus, the same distance on the axis as the null point distance, the total area, using the same distance on the axis as the null point distance.
Equation $(1)$ and $(3)$
We get,
$2 \times 0.38 \times {10^{ - 4}} + 0.38 \times {10^{ - 4}}$
On simplifying,
$3 \times 0.38 \times {10^{ - 4}}$
Again solving,
$1.14 \times {10^{ - 4}}\,tesla$
This field is directed along $\overrightarrow M $.
Hence,
We did not require that given value of $12.5\,cm$ for the null point distance, except in so far that this was assumed to be much greater than the length of the magnet.
$(ii)$
When the bar I turned around by ${180^ \circ }$,the magnetic north and south poles face magnetic south and north respectively.
In this case,
$\overrightarrow M $ is antiparallel to the earth’s field. From fig B
It is clear that the null point now lies on the axis of the magnet at a distance \[r'\] given by,
${B_a}' = {B_H}$ or $\dfrac{{{\mu _0}}}{{4\pi }}\dfrac{{2M}}{{r{'^3}}} = 0.38 \times {10^4}$……………$(4)$
Comparing equation $(4)$ and $(1)$,
We get,
$\dfrac{2}{{r{'^3}}} = \dfrac{1}{{{r^3}}}\,$ or $r{'^3} = 2{r^3}$
Here,
The value of $r = 12.5\,cm$ , \[r' = 15.7\,cm\]
Note: In the anticlockwise direction, the electrons revolve while the current spins in the clockwise direction. This electron motion produces a south pole and a north pole, resulting in the action of the atom as a magnetic dipole. Most elementary particles operate as magnetic dipoles inherently.
Useful formula:
Magnetic field on the normal bisector at a distance,
$r$ from the center is given by $\overrightarrow {{B_e}} = - \dfrac{{{\mu _0}}}{{4\pi }}\dfrac{{\overrightarrow M }}{{{r^3}}}$
Where,
${B_e}$ at axial point,
$\overrightarrow M $ is a magnetic dipole,
${\mu _0}$ is a null point
Complete step by step solution:
Given by,
Equatorial line at $12.5\,cm$
Magnetic field at the place is $0.38\,G$
Figure A
It is known that when the magnet's north and south poles face magnetic north and south respectively, null points are obtained on the usual bisector.
At a distance, the magnetic field on the standard bisector $r$ from the center is given by $\overrightarrow {{B_e}} = - \dfrac{{{\mu _0}}}{{4\pi }}\dfrac{{\overrightarrow M }}{{{r^3}}}$
Provided $r$ is much greater than the length of the magnet.
At a null point,
This field is balanced by the earth’s field.
So,
${B_e} = {B_H}$,
$\dfrac{{{\mu _0}}}{{4\pi }}\dfrac{{\overrightarrow M }}{{{r^3}}} = 0.38 \times {10^4}$…………… $(1)$
Since the dip angle $(S)$ is zero,
Here,
Therefore,
${B_v} = 0$
The horizontal part of the field of the earth equals the field itself.
Next,
Magnetic field due to a magnet at a distant point on its axis $r$ from the center is given by
${B_a} = \dfrac{{{\mu _0}}}{{4\pi }}\dfrac{{2M}}{{{r^3}}}$………………………….$(2)$
This is much larger than the length of the magnet $r$ given.
Then,
The above equation only applies strictly to a point dipole from fig A
It is apparent that on the axis, this field adds up to the field of the planet,
Figure B
Thus, the total field at a point on the axis has a magnitude equal to ${B_a} + {B_H}$
$\dfrac{{{\mu _0}}}{{4\pi }}\dfrac{{2M}}{{{r^3}}} + 0.38 \times {10^4}$…………..$(3)$
According to the $\overrightarrow M $
Which is parallel to the field of the earth in case A
Thus, the same distance on the axis as the null point distance, the total area, using the same distance on the axis as the null point distance.
Equation $(1)$ and $(3)$
We get,
$2 \times 0.38 \times {10^{ - 4}} + 0.38 \times {10^{ - 4}}$
On simplifying,
$3 \times 0.38 \times {10^{ - 4}}$
Again solving,
$1.14 \times {10^{ - 4}}\,tesla$
This field is directed along $\overrightarrow M $.
Hence,
We did not require that given value of $12.5\,cm$ for the null point distance, except in so far that this was assumed to be much greater than the length of the magnet.
$(ii)$
When the bar I turned around by ${180^ \circ }$,the magnetic north and south poles face magnetic south and north respectively.
In this case,
$\overrightarrow M $ is antiparallel to the earth’s field. From fig B
It is clear that the null point now lies on the axis of the magnet at a distance \[r'\] given by,
${B_a}' = {B_H}$ or $\dfrac{{{\mu _0}}}{{4\pi }}\dfrac{{2M}}{{r{'^3}}} = 0.38 \times {10^4}$……………$(4)$
Comparing equation $(4)$ and $(1)$,
We get,
$\dfrac{2}{{r{'^3}}} = \dfrac{1}{{{r^3}}}\,$ or $r{'^3} = 2{r^3}$
Here,
The value of $r = 12.5\,cm$ , \[r' = 15.7\,cm\]
Note: In the anticlockwise direction, the electrons revolve while the current spins in the clockwise direction. This electron motion produces a south pole and a north pole, resulting in the action of the atom as a magnetic dipole. Most elementary particles operate as magnetic dipoles inherently.
Recently Updated Pages
Protoplasm was first observed by A Dujardin B Purkinje class 12 biology CBSE

A piece of wire having resistance R is stretched thrice class 12 physics CBSE

For the combination of resistors shown in the figure class 12 physics CBSE

The VI characteristics of a diode are shown in the class 12 physics CBSE

Two thin similar convex glass pieces are joined together class 12 physics CBSE

Two equal and opposite charges are placed at a certain class 12 physics CBSE

Trending doubts
What are the major means of transport Explain each class 12 social science CBSE

Which are the Top 10 Largest Countries of the World?

Draw a labelled sketch of the human eye class 12 physics CBSE

Explain sex determination in humans with line diag class 12 biology CBSE

The pH of the pancreatic juice is A 64 B 86 C 120 D class 12 biology CBSE

Explain sex determination in humans with the help of class 12 biology CBSE

