
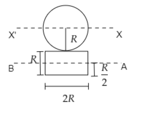
A disc of mass ${\text{m}}$ and radius ${\text{R}}$ is attached to a rectangular plate of same mass, breadth ${\text{R}}$ and length ${\text{2R}}$ as shown in the figure. Find the moment of inertia of this system about the axis XX’ passing through the centre of the disc and along the plane.
Answer
564.9k+ views
Hint:The moment of inertia of the system about the given axis will be the sum of the moment of inertia of the disc and that of the plate about the same axis. The moment of inertia of the disc about its diameter is a known quantity. The parallel axis theorem gives the moment of inertia of the plate about the given axis as the sum of the moment of inertia of the plate about its length and the product of the mass of the plate and the square of the distance between the given axis and its length.
Formulas used:
-The moment of inertia of a body about any axis as per the parallel axes theorem is given by, $I' = I + M{a^2}$ where $I$ is the moment of inertia of the body about the parallel axis passing through its centre of mass, $M$ is the mass of the body and $a$ is the distance between the two parallel axes.
-The moment of inertia of a body is given by, $I = M{k^2}$ where $M$ is the mass of the body and $k$ is the radius of gyration.
Complete step by step answer.
Step 1: Sketch a figure depicting the two parallel axes under consideration and list the parameters involved.
In the above figure, the axis AB taken about the length of the plate is parallel to the axis XX’.
The mass of the disc and the rectangular plate is given to be $m$ .
The radius of the disc is $R$ while the length and breadth of the plate are $l = 2R$ and $b = R$ respectively.
As seen in the figure, the distance between the two parallel axes AB and XX’ will be $a = R + \dfrac{R}{2} = \dfrac{{3R}}{2}$ .
The moment of inertia of the disc about its diameter is known to be ${I_d} = \dfrac{{m{R^2}}}{4}$ .
Step 2: Express the moment of inertia of the rectangular plate based on the parallel axis theorem.
Consider an element of mass ${\text{dm}}$, breadth ${\text{dx}}$ and length ${\text{2R}}$ at a distance $x$ from the axis AB. This is shown in the figure below.
Then we can express the mass of the small element as $dm = \dfrac{m}{A}dA$ -------- (1) where $A{\text{, }}dA$ are the areas of the plate and the element respectively.
The area of the plate will be $A = l \times b = 2R \times R = 2{R^2}$ and the area of the element will be$dA = l \times dx = 2Rdx$ .
Substituting for $A = 2{R^2}$ and $dA = 2Rx$ in equation (1) we get, $dm = \dfrac{m}{{2{R^2}}}2Rdx = \dfrac{{mdx}}{R}$ .
Here the radius of gyration is $k = x$ .
Then the moment of inertia of the element will be $dI = dm \times {x^2}$
Now the moment of inertia of the plate will be ${I_{AB}} = 2\int\limits_0^{R/2} {dI = 2\int\limits_0^{R/2} {\dfrac{{mdx}}{R} \times {x^2}} } $
On integrating and applying the limits we have, ${I_{AB}} = \dfrac{{2m}}{R}\left[ {\dfrac{{{x^3}}}{3}} \right]_0^{R/2} = \dfrac{{2m}}{R}\left( {\dfrac{{{R^3}}}{{8 \times 3}}} \right)$
$ \Rightarrow {I_{AB}} = \dfrac{{m{R^2}}}{{12}}$
Thus the moment of inertia of the rectangular plate about its length is ${I_{AB}} = \dfrac{{m{R^2}}}{{12}}$.
Now the moment of inertia of the rectangular plate about the axis XX’ as given by the parallel axis theorem will be ${I_{rp}} = {I_{AB}} + m{\left( {\dfrac{{3R}}{2}} \right)^2}$ ; $\dfrac{{3R}}{2}$ is the distance between AB and XX’.
Substituting for ${I_{AB}} = \dfrac{{m{R^2}}}{{12}}$ in the above expression we get, ${I_{rp}} = \dfrac{{m{R^2}}}{{12}} + m{\left( {\dfrac{{3R}}{2}} \right)^2}$
$ \Rightarrow {I_{rp}} = \dfrac{{m{R^2}}}{{12}} + \dfrac{{9m{R^2}}}{4} = \dfrac{{28m{R^2}}}{{12}}$
And finally, we have the moment of inertia of the plate about XX’ as ${I_{rp}} = \dfrac{{7m{R^2}}}{3}$
Step 3: Express the moment of inertia of the system.
The moment of inertia of the system about XX’ is the sum of the moment of inertia of disc and that of the rectangular plate about the axis XX’.
i.e., ${I_{system}} = {I_d} + {I_{rp}}$ -------- (2)
Substituting for ${I_d} = \dfrac{{m{R^2}}}{4}$ and ${I_{rp}} = \dfrac{{7m{R^2}}}{3}$ in equation (2) we get, ${I_{system}} = \dfrac{{m{R^2}}}{4} + \dfrac{{7m{R^2}}}{3}$
$ \Rightarrow {I_{system}} = \dfrac{{3m{R^2} + 28m{R^2}}}{{12}} = \dfrac{{31m{R^2}}}{{12}}$
Thus the moment of inertia of the system about XX’ is ${I_{system}} = \dfrac{{31m{R^2}}}{{12}}$ .
Note: The integral of ${x^2}$ is obtained as $\dfrac{{{x^3}}}{3}$ by the general formula $\int {{x^n}dx = \dfrac{{{x^{n + 1}}}}{{n + 1}}} $. The axis XX’ is mentioned to be passing through the centre of the disc. So the moment of inertia of the disc about its diameter will be equal to the moment of inertia of the disc about the axis XX’.
Formulas used:
-The moment of inertia of a body about any axis as per the parallel axes theorem is given by, $I' = I + M{a^2}$ where $I$ is the moment of inertia of the body about the parallel axis passing through its centre of mass, $M$ is the mass of the body and $a$ is the distance between the two parallel axes.
-The moment of inertia of a body is given by, $I = M{k^2}$ where $M$ is the mass of the body and $k$ is the radius of gyration.
Complete step by step answer.
Step 1: Sketch a figure depicting the two parallel axes under consideration and list the parameters involved.
In the above figure, the axis AB taken about the length of the plate is parallel to the axis XX’.
The mass of the disc and the rectangular plate is given to be $m$ .
The radius of the disc is $R$ while the length and breadth of the plate are $l = 2R$ and $b = R$ respectively.
As seen in the figure, the distance between the two parallel axes AB and XX’ will be $a = R + \dfrac{R}{2} = \dfrac{{3R}}{2}$ .
The moment of inertia of the disc about its diameter is known to be ${I_d} = \dfrac{{m{R^2}}}{4}$ .
Step 2: Express the moment of inertia of the rectangular plate based on the parallel axis theorem.
Consider an element of mass ${\text{dm}}$, breadth ${\text{dx}}$ and length ${\text{2R}}$ at a distance $x$ from the axis AB. This is shown in the figure below.
Then we can express the mass of the small element as $dm = \dfrac{m}{A}dA$ -------- (1) where $A{\text{, }}dA$ are the areas of the plate and the element respectively.
The area of the plate will be $A = l \times b = 2R \times R = 2{R^2}$ and the area of the element will be$dA = l \times dx = 2Rdx$ .
Substituting for $A = 2{R^2}$ and $dA = 2Rx$ in equation (1) we get, $dm = \dfrac{m}{{2{R^2}}}2Rdx = \dfrac{{mdx}}{R}$ .
Here the radius of gyration is $k = x$ .
Then the moment of inertia of the element will be $dI = dm \times {x^2}$
Now the moment of inertia of the plate will be ${I_{AB}} = 2\int\limits_0^{R/2} {dI = 2\int\limits_0^{R/2} {\dfrac{{mdx}}{R} \times {x^2}} } $
On integrating and applying the limits we have, ${I_{AB}} = \dfrac{{2m}}{R}\left[ {\dfrac{{{x^3}}}{3}} \right]_0^{R/2} = \dfrac{{2m}}{R}\left( {\dfrac{{{R^3}}}{{8 \times 3}}} \right)$
$ \Rightarrow {I_{AB}} = \dfrac{{m{R^2}}}{{12}}$
Thus the moment of inertia of the rectangular plate about its length is ${I_{AB}} = \dfrac{{m{R^2}}}{{12}}$.
Now the moment of inertia of the rectangular plate about the axis XX’ as given by the parallel axis theorem will be ${I_{rp}} = {I_{AB}} + m{\left( {\dfrac{{3R}}{2}} \right)^2}$ ; $\dfrac{{3R}}{2}$ is the distance between AB and XX’.
Substituting for ${I_{AB}} = \dfrac{{m{R^2}}}{{12}}$ in the above expression we get, ${I_{rp}} = \dfrac{{m{R^2}}}{{12}} + m{\left( {\dfrac{{3R}}{2}} \right)^2}$
$ \Rightarrow {I_{rp}} = \dfrac{{m{R^2}}}{{12}} + \dfrac{{9m{R^2}}}{4} = \dfrac{{28m{R^2}}}{{12}}$
And finally, we have the moment of inertia of the plate about XX’ as ${I_{rp}} = \dfrac{{7m{R^2}}}{3}$
Step 3: Express the moment of inertia of the system.
The moment of inertia of the system about XX’ is the sum of the moment of inertia of disc and that of the rectangular plate about the axis XX’.
i.e., ${I_{system}} = {I_d} + {I_{rp}}$ -------- (2)
Substituting for ${I_d} = \dfrac{{m{R^2}}}{4}$ and ${I_{rp}} = \dfrac{{7m{R^2}}}{3}$ in equation (2) we get, ${I_{system}} = \dfrac{{m{R^2}}}{4} + \dfrac{{7m{R^2}}}{3}$
$ \Rightarrow {I_{system}} = \dfrac{{3m{R^2} + 28m{R^2}}}{{12}} = \dfrac{{31m{R^2}}}{{12}}$
Thus the moment of inertia of the system about XX’ is ${I_{system}} = \dfrac{{31m{R^2}}}{{12}}$ .
Note: The integral of ${x^2}$ is obtained as $\dfrac{{{x^3}}}{3}$ by the general formula $\int {{x^n}dx = \dfrac{{{x^{n + 1}}}}{{n + 1}}} $. The axis XX’ is mentioned to be passing through the centre of the disc. So the moment of inertia of the disc about its diameter will be equal to the moment of inertia of the disc about the axis XX’.
Recently Updated Pages
Why are manures considered better than fertilizers class 11 biology CBSE

Find the coordinates of the midpoint of the line segment class 11 maths CBSE

Distinguish between static friction limiting friction class 11 physics CBSE

The Chairman of the constituent Assembly was A Jawaharlal class 11 social science CBSE

The first National Commission on Labour NCL submitted class 11 social science CBSE

Number of all subshell of n + l 7 is A 4 B 5 C 6 D class 11 chemistry CBSE

Trending doubts
What is meant by exothermic and endothermic reactions class 11 chemistry CBSE

10 examples of friction in our daily life

One Metric ton is equal to kg A 10000 B 1000 C 100 class 11 physics CBSE

1 Quintal is equal to a 110 kg b 10 kg c 100kg d 1000 class 11 physics CBSE

Difference Between Prokaryotic Cells and Eukaryotic Cells

What are Quantum numbers Explain the quantum number class 11 chemistry CBSE

