
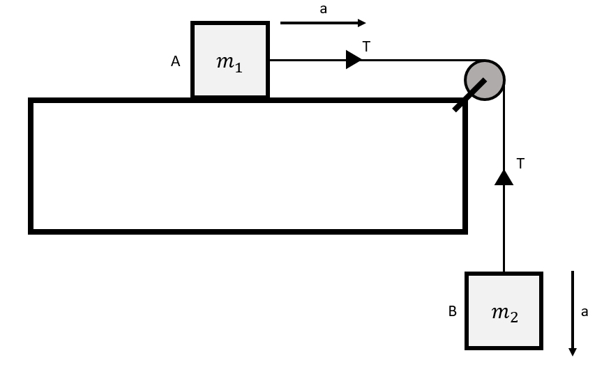
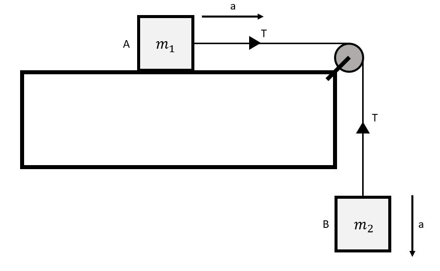
A block $A$ of mass ${{m}_{1}}$ rests on a horizontal table. A light string connected to it passes over a frictionless pulley at the edge of the table and from its other end, another block B of mass ${{m}_{2}}$ is suspended. The coefficient of kinetic friction between the block and the table is $\mu_k$. When block A is sliding on the table, the tension in the string is:
Answer
598.5k+ views
Hint: Since the friction between block A and the table is not sufficient, the block B moves down due to its weight and pulls the block A which is connected by a string. If the block B moves down with acceleration $a$, then block A will also move horizontally with the same acceleration $a$.
Complete step by step solution:
Here is the diagram of the block-pulley system as mentioned in the question. Now we will analyze the forces acting on each block from their free body diagram.
Free body diagram of block A
Here we see that the tension in the string pulls the block A of mass ${{m}_{1}}$ with an acceleration a. However, since the block is in contact with the table, it tries to pull the block backward due to kinetic frictional force $f$ between the block and the table. Therefore, if we balance the horizontal forces, we get
\[\begin{align}
& T-f={{m}_{1}}a \\
& T-{{\mu }_{k}}{{N}_{1}}={{m}_{1}}a \\
\end{align}\]
$\Rightarrow T-{{\mu }_{k}}{{m}_{1}}g={{m}_{1}}a$ ………. (1)
Here g is the acceleration due to gravity and ${{N}_{1}}$ is the normal reaction.
Free body diagram for block B
Here we see that block B of mass ${{m}_{2}}$ is pulled down by its weight with acceleration $a$ and the tension T in the string tries to pull the block upwards. Therefore, if we balance the vertical forces, we get
$\Rightarrow {{m}_{2}}g-T={{m}_{2}}a$ ………. (2)
Now adding equations 1 and 2 and solving for $a$, we get
\[\begin{align}
& \Rightarrow {{m}_{2}}g-{{\mu }_{k}}{{m}_{1}}g={{m}_{1}}a+{{m}_{2}}a \\
& \Rightarrow {{m}_{2}}g-{{\mu }_{k}}{{m}_{1}}g=({{m}_{1}}+{{m}_{2}})a \\
& \Rightarrow a=\dfrac{({{m}_{2}}-{{\mu }_{k}}{{m}_{1}})g}{{{m}_{1}}+{{m}_{2}}} \\
\end{align}\]
Substituting the value of $a$ in Eq. 2 and solving for T, we get
\[\begin{align}
& \Rightarrow {{m}_{2}}g-T={{m}_{2}}\dfrac{({{m}_{2}}-{{\mu }_{k}}{{m}_{1}})g}{{{m}_{1}}+{{m}_{2}}} \\
& \Rightarrow T={{m}_{2}}g-{{m}_{2}}\dfrac{({{m}_{2}}-{{\mu }_{k}}{{m}_{1}})g}{{{m}_{1}}+{{m}_{2}}} \\ \end{align}\]
On simplifying the above equation, we get
\[\begin{align}
& \Rightarrow T={{m}_{2}}g\left( 1-\dfrac{({{m}_{2}}-{{\mu }_{k}}{{m}_{1}})}{{{m}_{1}}+{{m}_{2}}} \right) \\
& \Rightarrow T={{m}_{2}}g\left( \dfrac{{{m}_{1}}+{{m}_{2}}-{{m}_{2}}+{{\mu }_{k}}{{m}_{1}}}{{{m}_{1}}+{{m}_{2}}} \right) \\ \end{align}\]
On further simplification, we get
\[\begin{align}
& \Rightarrow T={{m}_{2}}g\left( \dfrac{{{m}_{1}}+{{\mu }_{k}}{{m}_{1}}}{{{m}_{1}}+{{m}_{2}}} \right) \\
& \Rightarrow T=\dfrac{{{m}_{1}}{{m}_{2}}(1+{{\mu }_{k}})g}{{{m}_{1}}+{{m}_{2}}} \\
\end{align}\]
$\therefore$ The tension in the string when the block A is sliding is \[T=\dfrac{{{m}_{1}}{{m}_{2}}(1+{{\mu }_{k}})g}{{{m}_{1}}+{{m}_{2}}}\].
Note:
Suppose in this case, if the friction between block A and the table would have been sufficient to prevent the sliding of block A. In that case, there would be no motion by either block (i.e. $a=0$), and in the equations, the coefficient of kinetic friction $\mu_k$ would be replaced by the coefficient of static friction $\mu_s$.
Complete step by step solution:
Here is the diagram of the block-pulley system as mentioned in the question. Now we will analyze the forces acting on each block from their free body diagram.
Free body diagram of block A
Here we see that the tension in the string pulls the block A of mass ${{m}_{1}}$ with an acceleration a. However, since the block is in contact with the table, it tries to pull the block backward due to kinetic frictional force $f$ between the block and the table. Therefore, if we balance the horizontal forces, we get
\[\begin{align}
& T-f={{m}_{1}}a \\
& T-{{\mu }_{k}}{{N}_{1}}={{m}_{1}}a \\
\end{align}\]
$\Rightarrow T-{{\mu }_{k}}{{m}_{1}}g={{m}_{1}}a$ ………. (1)
Here g is the acceleration due to gravity and ${{N}_{1}}$ is the normal reaction.
Free body diagram for block B
Here we see that block B of mass ${{m}_{2}}$ is pulled down by its weight with acceleration $a$ and the tension T in the string tries to pull the block upwards. Therefore, if we balance the vertical forces, we get
$\Rightarrow {{m}_{2}}g-T={{m}_{2}}a$ ………. (2)
Now adding equations 1 and 2 and solving for $a$, we get
\[\begin{align}
& \Rightarrow {{m}_{2}}g-{{\mu }_{k}}{{m}_{1}}g={{m}_{1}}a+{{m}_{2}}a \\
& \Rightarrow {{m}_{2}}g-{{\mu }_{k}}{{m}_{1}}g=({{m}_{1}}+{{m}_{2}})a \\
& \Rightarrow a=\dfrac{({{m}_{2}}-{{\mu }_{k}}{{m}_{1}})g}{{{m}_{1}}+{{m}_{2}}} \\
\end{align}\]
Substituting the value of $a$ in Eq. 2 and solving for T, we get
\[\begin{align}
& \Rightarrow {{m}_{2}}g-T={{m}_{2}}\dfrac{({{m}_{2}}-{{\mu }_{k}}{{m}_{1}})g}{{{m}_{1}}+{{m}_{2}}} \\
& \Rightarrow T={{m}_{2}}g-{{m}_{2}}\dfrac{({{m}_{2}}-{{\mu }_{k}}{{m}_{1}})g}{{{m}_{1}}+{{m}_{2}}} \\ \end{align}\]
On simplifying the above equation, we get
\[\begin{align}
& \Rightarrow T={{m}_{2}}g\left( 1-\dfrac{({{m}_{2}}-{{\mu }_{k}}{{m}_{1}})}{{{m}_{1}}+{{m}_{2}}} \right) \\
& \Rightarrow T={{m}_{2}}g\left( \dfrac{{{m}_{1}}+{{m}_{2}}-{{m}_{2}}+{{\mu }_{k}}{{m}_{1}}}{{{m}_{1}}+{{m}_{2}}} \right) \\ \end{align}\]
On further simplification, we get
\[\begin{align}
& \Rightarrow T={{m}_{2}}g\left( \dfrac{{{m}_{1}}+{{\mu }_{k}}{{m}_{1}}}{{{m}_{1}}+{{m}_{2}}} \right) \\
& \Rightarrow T=\dfrac{{{m}_{1}}{{m}_{2}}(1+{{\mu }_{k}})g}{{{m}_{1}}+{{m}_{2}}} \\
\end{align}\]
$\therefore$ The tension in the string when the block A is sliding is \[T=\dfrac{{{m}_{1}}{{m}_{2}}(1+{{\mu }_{k}})g}{{{m}_{1}}+{{m}_{2}}}\].
Note:
Suppose in this case, if the friction between block A and the table would have been sufficient to prevent the sliding of block A. In that case, there would be no motion by either block (i.e. $a=0$), and in the equations, the coefficient of kinetic friction $\mu_k$ would be replaced by the coefficient of static friction $\mu_s$.
Recently Updated Pages
Basicity of sulphurous acid and sulphuric acid are

Master Class 11 Business Studies: Engaging Questions & Answers for Success

Master Class 11 Computer Science: Engaging Questions & Answers for Success

Master Class 11 Economics: Engaging Questions & Answers for Success

Master Class 11 Social Science: Engaging Questions & Answers for Success

Master Class 11 English: Engaging Questions & Answers for Success

Trending doubts
Name the part of the brain responsible for the precision class 11 biology CBSE

The growth of tendril in pea plants is due to AEffect class 11 biology CBSE

One Metric ton is equal to kg A 10000 B 1000 C 100 class 11 physics CBSE

State and prove Bernoullis theorem class 11 physics CBSE

Actinoid contraction is more than lanthanoid contraction class 11 chemistry CBSE

Which out of the following hydrocarbons undergo addition class 11 chemistry CBSE

