
A 12Ω resistor and a 0.21H inductor are connected in series to an AC source operating at 20V, 50 cycles per second. The phase angle between current and source voltage is:
\[
{\text{A}}{\text{. 30}}^\circ \\
{\text{B}}{\text{. 40}}^\circ \\
{\text{C}}{\text{. 80}}^\circ \\
{\text{D}}{\text{. 90}}^\circ \\
\]
Answer
591.9k+ views
Hint: In order to find the phase angle, we observe the given data in the question (i.e. resistance, inductance, voltage and frequency are given) meaning it is a “RLC Circuit”. It is an electrical circuit which has a resistor, a capacitor and an inductor. Then we apply the formulae relevant to the RLC circuit to find the answer.
Formula Used:
In an RLC circuit,
${{\text{X}}_{\text{L}}} = 2\pi {\text{fL}}$, where R is the resistance, ${{\text{X}}_{\text{L}}}$is the reactance, f is the frequency and L is the inductance.
Complete Step-by-Step solution:
Given Data,
In the circuit, Resistance R = 12Ω
Inductance L = 0.21H
Voltage V = 20V
Frequency f = 50 cycles per second.
When an AC current is given to the RLC circuit the current and voltage do not necessarily have their peaks at the same instance, the fraction of their period difference between their peaks is expressed in degrees and is said to be the phase difference.
Graphically it is given as: (in terms of impedance)
Hence the phase angle ∅ is given by ${\text{Tan}}\phi {\text{ = }}\dfrac{{{{\text{X}}_{\text{L}}}}}{{\text{R}}}$.
We also know the inductive reactance in an RLC circuit is given as ${{\text{X}}_{\text{L}}} = 2\pi {\text{fL}}$.
Therefore ${\text{Tan}}\phi {\text{ = }}\dfrac{{{{\text{X}}_{\text{L}}}}}{{\text{R}}} \Rightarrow {\text{Tan}}\phi {\text{ = }}\dfrac{{{\text{2}}\pi {\text{fL}}}}{{\text{R}}}$
$
\Rightarrow {\text{Tan}}\phi {\text{ = }}\dfrac{{{\text{2}} \times {\text{3}}{\text{.14}} \times {\text{50}} \times {\text{0}}{\text{.21}}}}{{12}} \\
\Rightarrow {\text{Tan}}\phi {\text{ = 5}}{\text{.5}} \\
\Rightarrow \phi {\text{ = Ta}}{{\text{n}}^{ - 1}}\left( {5.5} \right) \\
\Rightarrow \phi {\text{ = 80}}^\circ \\
$
(We refer to the trigonometric table of Tan function to determine the inverse tangent value of 5.5)
Hence the phase angle between current and source voltage is 80°.
Option C is the correct answer.
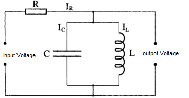
Note – In order to answer this type of question the key is to know the concept of an RLC circuit and the formula relevant to it. The circuit diagram of an RLC circuit looks like:
An RLC circuit has a resistor, capacitor and an inductor with respective currents coming from each of them.
And AC or alternating current is an electric current which changes its direction at regular intervals unlike the DC or direct current which always flows in the same direction. Alternating Current starts from zero, reaches a maximum value, then decreases until zero and reverses its direction.
Formula Used:
In an RLC circuit,
${{\text{X}}_{\text{L}}} = 2\pi {\text{fL}}$, where R is the resistance, ${{\text{X}}_{\text{L}}}$is the reactance, f is the frequency and L is the inductance.
Complete Step-by-Step solution:
Given Data,
In the circuit, Resistance R = 12Ω
Inductance L = 0.21H
Voltage V = 20V
Frequency f = 50 cycles per second.
When an AC current is given to the RLC circuit the current and voltage do not necessarily have their peaks at the same instance, the fraction of their period difference between their peaks is expressed in degrees and is said to be the phase difference.
Graphically it is given as: (in terms of impedance)
Hence the phase angle ∅ is given by ${\text{Tan}}\phi {\text{ = }}\dfrac{{{{\text{X}}_{\text{L}}}}}{{\text{R}}}$.
We also know the inductive reactance in an RLC circuit is given as ${{\text{X}}_{\text{L}}} = 2\pi {\text{fL}}$.
Therefore ${\text{Tan}}\phi {\text{ = }}\dfrac{{{{\text{X}}_{\text{L}}}}}{{\text{R}}} \Rightarrow {\text{Tan}}\phi {\text{ = }}\dfrac{{{\text{2}}\pi {\text{fL}}}}{{\text{R}}}$
$
\Rightarrow {\text{Tan}}\phi {\text{ = }}\dfrac{{{\text{2}} \times {\text{3}}{\text{.14}} \times {\text{50}} \times {\text{0}}{\text{.21}}}}{{12}} \\
\Rightarrow {\text{Tan}}\phi {\text{ = 5}}{\text{.5}} \\
\Rightarrow \phi {\text{ = Ta}}{{\text{n}}^{ - 1}}\left( {5.5} \right) \\
\Rightarrow \phi {\text{ = 80}}^\circ \\
$
(We refer to the trigonometric table of Tan function to determine the inverse tangent value of 5.5)
Hence the phase angle between current and source voltage is 80°.
Option C is the correct answer.
Note – In order to answer this type of question the key is to know the concept of an RLC circuit and the formula relevant to it. The circuit diagram of an RLC circuit looks like:
An RLC circuit has a resistor, capacitor and an inductor with respective currents coming from each of them.
And AC or alternating current is an electric current which changes its direction at regular intervals unlike the DC or direct current which always flows in the same direction. Alternating Current starts from zero, reaches a maximum value, then decreases until zero and reverses its direction.
Recently Updated Pages
Two men on either side of the cliff 90m height observe class 10 maths CBSE

What happens to glucose which enters nephron along class 10 biology CBSE

Cutting of the Chinese melon means A The business and class 10 social science CBSE

Write a dialogue with at least ten utterances between class 10 english CBSE

Show an aquatic food chain using the following organisms class 10 biology CBSE

A circle is inscribed in an equilateral triangle and class 10 maths CBSE

Trending doubts
Why is there a time difference of about 5 hours between class 10 social science CBSE

Write a letter to the principal requesting him to grant class 10 english CBSE

What is the median of the first 10 natural numbers class 10 maths CBSE

The Equation xxx + 2 is Satisfied when x is Equal to Class 10 Maths

Which of the following does not have a fundamental class 10 physics CBSE

State and prove converse of BPT Basic Proportionality class 10 maths CBSE

